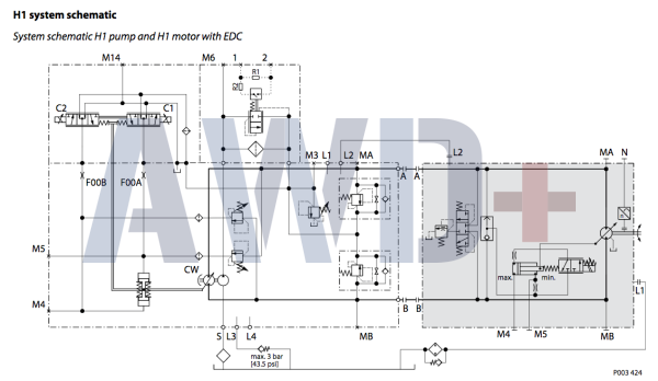
Гидростатические моторы и насосы серии H1 могут применяться вместе или по отдельности с оборудованием других производителей. Двигатели переменного рабочего объема серии H1 имеют конструкцию с изогнутой осью и оснащены сферическими поршнями.
Мотор H1B060 предназначен для работы с устройствами в системах с замкнутым контуром. Двигатели серии H1 имеют большое соотношение максимального/минимального перемещения 5:1 и высокую выходную скорость. Расширенная функция нулевого рабочего объема в сочетании с высокопроизводительным максимальным углом наклона 32 градуса создает возможности для легкого повышения производительности машины.
Рабочий объем мотора 60 см3.
Номинальная и максимальная частота вращения мотора H1B060 зависит от рабочего объема.
Гидромоторы серии H1-B-060 запускаются при максимальном рабочем объеме. Это обеспечивает максимальный пусковой момент при высоком ускорении.
Моторы Серии H1 Danfoss применяются в ГСТ (гидростатической трансмиссии) на таких машинах как бульдозер, экскаватор,трубоукладчик, мини-погрузчик, ратрак, а так же на приводе тяговой лебедки и в буровых установках.
| Артикул | Полный код | Полный код |
| 83005037 | H1-B-060-A-A-P1-D1-N-A-TA-DN-GN-N-A-20-NN-000-Z-24-NNN | H1B060AAP1D1NATADNGNNA20NN000Z24NNN |
| 83006869 | H1-B-060-A-A-T1-D1-N-B-TB-VS-AS-P-A-10-NN-014-Z-28-NNN | H1B060AAT1D1NBTBVSASPA10NN014Z28NNN |
| 83007229 | H1-B-060-A-A-L1-BA-N-B-PA-VS-AS-S-A-10-NP-MB0-N-00-NNN | H1B060AAL1BANBPAVSASSA10NPMB0N00NNN |
| 83007355 | H1-B-060-A-A-E1-AA-N-A-TB-CS-GS-S-A-05-NN-012-Z-00-NNN | H1B060AAE1AANATBCSGSSA05NN012Z00NNN |
| 83007356 | H1-B-060-A-A-K2-K2-N-B-RB-VS-AS-S-A-10-NP-012-N-21-NNN | H1B060AAK2K2NBRBVSASSA10NP012N21NNN |
| 83007357 | H1-B-060-A-A-T1-D1-N-B-TA-CS-GS-S-A-05-NN-012-Z-21-NNN | H1B060AAT1D1NBTACSGSSA05NN012Z21NNN |
| 83007503 | H1-B-060-A-A-HE-HE-N-C-TB-CN-GN-N-N-NN-NN-028-Z-00-NNN | H1B060AAHEHENCTBCNGNNNNNNN028Z00NNN |
| 83008427 | H1-B-060-A-A-E2-AA-N-B-TB-CS-GS-S-N-NN-NN-017-Z-00-NNN | H1B060AAE2AANBTBCSGSSNNNNN017Z00NNN |
| 83008970 | H1-B-060-A-A-L1-BA-N-A-PB-VN-AN-N-A-05-NP-012-N-00-NNN | H1B060AAL1BANAPBVNANNA05NP012N00NNN |
| 83009070 | H1-B-060-A-A-TA-D1-N-B-TB-VS-AS-P-A-10-NN-014-Z-28-NNN | H1B060AATAD1NBTBVSASPA10NN014Z28NNN |
| 83009578 | H1-B-060-A-A-L2-BA-N-B-PB-CS-GS-S-A-10-NP-MB0-N-00-N02 | H1B060AAL2BANBPBCSGSSA10NPMB0N00N02 |
| 83009579 | H1-B-060-A-A-E2-AA-N-B-TB-CN-GN-N-A-10-NN-018-Z-00-N02 | H1B060AAE2AANBTBCNGNNA10NN018Z00N02 |
| 83009776 | H1-B-060-A-A-E2-AA-N-B-TB-DN-GN-N-N-NN-NN-015-Z-00-NNN | H1B060AAE2AANBTBDNGNNNNNNN015Z00NNN |
| 83009836 | H1-B-060-A-A-E2-AA-N-B-TA-CN-GN-N-N-NN-NN-036-Z-00-NNN | H1B060AAE2AANBTACNGNNNNNNN036Z00NNN |
| 83009988 | H1-B-060-A-A-L2-BA-N-B-PB-CN-GN-N-N-NN-NP-016-N-00-NNN | H1B060AAL2BANBPBCNGNNNNNNP016N00NNN |
| 83010648 | H1-B-060-A-A-L1-BA-N-B-PB-CS-GS-S-A-10-NP-MB0-N-00-NNN | H1B060AAL1BANBPBCSGSSA10NPMB0N00NNN |
| 83011001 | H1-B-060-A-A-L2-BA-N-A-PB-CS-GS-S-A-05-NP-MB0-N-00-NNN | H1B060AAL2BANAPBCSGSSA05NPMB0N00NNN |
| 83011076 | H1-B-060-A-A-L1-BA-N-B-PA-VN-AN-N-N-NN-NP-MB0-N-00-NNN | H1B060AAL1BANBPAVNANNNNNNPMB0N00NNN |
| 83011082 | H1-B-060-A-A-L1-BA-N-B-PB-CS-GS-S-A-05-NP-MB0-N-00-NNN | H1B060AAL1BANBPBCSGSSA05NPMB0N00NNN |
| 83011298 | H1-B-060-A-A-K2-KA-N-B-RB-CN-GN-N-A-05-NP-024-N-28-NNN | H1B060AAK2KANBRBCNGNNA05NP024N28NNN |
| 83011631 | H1-B-060-A-A-L2-BA-N-B-PB-CS-GS-S-A-05-NP-012-N-00-NNN | H1B060AAL2BANBPBCSGSSA05NP012N00NNN |
| 83011632 | H1-B-060-A-A-HE-HE-N-B-TB-CS-GS-S-N-NN-NN-030-Z-00-NNN | H1B060AAHEHENBTBCSGSSNNNNN030Z00NNN |
| 83012175 | H1-B-060-A-A-E1-AA-N-B-TB-VN-AN-N-N-NN-NN-031-Z-00-NNN | H1B060AAE1AANBTBVNANNNNNNN031Z00NNN |
| 83012636 | H1-B-060-A-A-L2-BA-N-A-PB-DS-GS-S-A-10-NP-MB0-N-00-NNN | H1B060AAL2BANAPBDSGSSA10NPMB0N00NNN |
| 83012637 | H1-B-060-A-A-E1-AA-N-A-TA-VN-AN-N-A-10-NN-035-Z-00-NNN | H1B060AAE1AANATAVNANNA10NN035Z00NNN |
| 83012772 | H1-B-060-A-A-E2-AA-N-B-TB-DN-GN-N-N-NN-NN-030-Z-00-NNN | H1B060AAE2AANBTBDNGNNNNNNN030Z00NNN |
| 83012889 | H1-B-060-A-A-E2-AA-N-B-TB-DN-GN-N-N-NN-NN-025-Z-00-NNN | H1B060AAE2AANBTBDNGNNNNNNN025Z00NNN |
| 83013269 | H1-B-060-A-A-L2-BA-N-A-PB-VS-AS-S-A-10-NP-020-N-00-NNN | H1B060AAL2BANAPBVSASSA10NP020N00NNN |
| 83013274 | H1-B-060-A-A-L2-BA-N-B-PB-CS-GS-S-N-NN-NP-MB0-N-00-NNN | H1B060AAL2BANBPBCSGSSNNNNPMB0N00NNN |
| 83013366 | H1-B-060-A-A-E2-AA-N-B-TB-CS-GS-S-A-05-NN-018-Z-00-NNN | H1B060AAE2AANBTBCSGSSA05NN018Z00NNN |
| 83013441 | H1-B-060-A-A-E1-AA-N-B-TB-CN-GN-N-A-10-NN-028-Z-00-NNN | H1B060AAE1AANBTBCNGNNA10NN028Z00NNN |
| 83013798 | H1-B-060-A-A-L2-BA-N-A-PB-CS-HS-S-A-05-NP-012-N-00-NNN | H1B060AAL2BANAPBCSHSSA05NP012N00NNN |
| 83014273 | H1-B-060-A-A-L1-BA-N-B-PA-DS-GS-S-A-05-NP-MB0-N-00-NNN | H1B060AAL1BANBPADSGSSA05NPMB0N00NNN |
| 83014274 | H1-B-060-A-A-L1-BA-N-B-PA-DS-GS-S-N-NN-NP-MB0-N-00-NNN | H1B060AAL1BANBPADSGSSNNNNPMB0N00NNN |
| 83014306 | H1-B-060-A-A-E1-AA-N-A-TB-VN-AN-N-N-NN-NN-030-Z-00-NNN | H1B060AAE1AANATBVNANNNNNNN030Z00NNN |
| 83014363 | H1-B-060-A-A-E2-AA-N-A-TB-CS-GS-S-A-10-NN-019-Z-00-NNN | H1B060AAE2AANATBCSGSSA10NN019Z00NNN |
| 83014390 | H1-B-060-A-A-E2-AA-N-B-TB-CN-GN-N-A-10-NN-022-Z-00-NNN | H1B060AAE2AANBTBCNGNNA10NN022Z00NNN |
| 83014440 | H1-B-060-A-A-E2-AA-N-B-TB-CS-GS-S-A-10-NN-021-Z-00-NNN | H1B060AAE2AANBTBCSGSSA10NN021Z00NNN |
| 83014441 | H1-B-060-A-A-E1-AA-N-B-TB-CN-GN-N-A-10-NN-033-Z-00-NNN | H1B060AAE1AANBTBCNGNNA10NN033Z00NNN |
| 83014453 | H1-B-060-A-A-E2-AA-N-B-TA-CN-GN-N-A-10-NN-022-Z-00-NNN | H1B060AAE2AANBTACNGNNA10NN022Z00NNN |
| 83014460 | H1-B-060-A-A-T1-D1-N-A-TA-DN-GN-N-N-NN-NN-017-Z-28-NNN | H1B060AAT1D1NATADNGNNNNNNN017Z28NNN |
| 83014516 | H1-B-060-A-A-E1-AA-N-B-TA-VN-AN-N-A-05-NN-024-Z-00-NNN | H1B060AAE1AANBTAVNANNA05NN024Z00NNN |
| 83014710 | H1-B-060-A-A-E1-AA-N-C-TA-VN-AN-N-A-10-NN-029-Z-00-NNN | H1B060AAE1AANCTAVNANNA10NN029Z00NNN |
| 83014721 | H1-B-060-A-A-E1-AA-N-B-TA-VN-AN-N-A-10-NN-029-Z-00-NNN | H1B060AAE1AANBTAVNANNA10NN029Z00NNN |
| 83014735 | H1-B-060-A-A-E2-AA-N-A-TB-VN-AN-N-N-NN-NN-030-Z-00-NNN | H1B060AAE2AANATBVNANNNNNNN030Z00NNN |
| 83014782 | H1-B-060-A-A-F2-EA-N-A-TB-CS-GS-S-A-05-NN-MB0-V-00-N05 | H1B060AAF2EANATBCSGSSA05NNMB0V00N05 |
| 83015250 | H1-B-060-A-A-P1-DA-N-B-TB-CN-GN-N-A-05-NN-030-Z-24-NNN | H1B060AAP1DANBTBCNGNNA05NN030Z24NNN |
| 83015308 | H1-B-060-A-A-E2-AA-N-B-TB-CN-GN-N-A-10-NN-032-Z-00-NNN | H1B060AAE2AANBTBCNGNNA10NN032Z00NNN |
| 83015316 | H1-B-060-A-A-L1-BA-N-B-PB-VS-AS-S-A-05-NP-MB0-N-00-NNN | H1B060AAL1BANBPBVSASSA05NPMB0N00NNN |
| 83015561 | H1-B-060-A-A-E2-AA-N-B-TB-CN-GN-N-N-NN-NN-030-Z-00-NNN | H1B060AAE2AANBTBCNGNNNNNNN030Z00NNN |
| 83015591 | H1-B-060-A-A-L1-BA-N-A-PA-CS-GS-S-A-10-NP-020-N-00-NNN | H1B060AAL1BANAPACSGSSA10NP020N00NNN |
| 83015605 | H1-B-060-A-A-L2-BA-N-B-PA-VS-AS-S-A-10-NP-040-N-00-NNN | H1B060AAL2BANBPAVSASSA10NP040N00NNN |
| 83015721 | H1-B-060-A-A-T2-DA-N-B-TA-VS-AS-S-A-10-NN-020-Z-21-NNN | H1B060AAT2DANBTAVSASSA10NN020Z21NNN |
| 83015747 | H1-B-060-A-A-E2-AA-N-B-TB-DN-GN-N-A-10-NN-012-Z-00-NNN | H1B060AAE2AANBTBDNGNNA10NN012Z00NNN |
| 83015748 | H1-B-060-A-A-E2-AA-N-B-TB-DN-GN-N-A-10-NN-020-Z-00-NNN | H1B060AAE2AANBTBDNGNNA10NN020Z00NNN |
| 83015835 | H1-B-060-A-A-E2-AA-N-B-TB-CS-GS-S-A-10-NN-036-Z-00-NNN | H1B060AAE2AANBTBCSGSSA10NN036Z00NNN |
| 83015918 | H1-B-060-A-A-E2-AA-N-B-TB-CS-GS-P-N-NN-NN-026-Z-00-NNN | H1B060AAE2AANBTBCSGSPNNNNN026Z00NNN |
| 83015919 | H1-B-060-A-A-E2-AA-N-B-TB-CN-GN-N-N-NN-NN-026-Z-00-NNN | H1B060AAE2AANBTBCNGNNNNNNN026Z00NNN |
| 83015994 | H1-B-060-A-A-E2-AA-N-B-TB-CS-GS-P-N-NN-NN-024-R-00-NNN | H1B060AAE2AANBTBCSGSPNNNNN024R00NNN |
| 83015995 | H1-B-060-A-A-E2-AA-N-B-TB-CN-GN-N-N-NN-NN-024-R-00-NNN | H1B060AAE2AANBTBCNGNNNNNNN024R00NNN |
| 83016526 | H1-B-060-A-A-E2-AA-N-A-TB-CN-GN-N-A-05-NN-020-Z-00-NNN | H1B060AAE2AANATBCNGNNA05NN020Z00NNN |
| 83016527 | H1-B-060-A-A-L2-BA-N-A-PB-VN-AN-N-A-10-NP-020-N-00-NNN | H1B060AAL2BANAPBVNANNA10NP020N00NNN |
| 83016906 | H1-B-060-A-A-T2-DA-N-B-TA-VN-AN-N-A-05-NN-015-Z-20-NNN | H1B060AAT2DANBTAVNANNA05NN015Z20NNN |
| 83016940 | H1-B-060-A-A-T2-D2-N-A-TB-VN-AN-N-A-10-NN-012-Z-20-NNN | H1B060AAT2D2NATBVNANNA10NN012Z20NNN |
| 83017038 | H1-B-060-A-A-HE-HE-N-B-TB-VN-AN-N-A-10-NN-024-Z-00-NNN | H1B060AAHEHENBTBVNANNA10NN024Z00NNN |
| 83017046 | H1-B-060-A-A-L1-BA-N-C-PB-CS-GS-S-A-05-NP-013-N-00-NNN | H1B060AAL1BANCPBCSGSSA05NP013N00NNN |
| 83017313 | H1-B-060-A-A-HE-HE-N-A-TB-VN-AN-N-N-NN-NN-022-U-00-NNN | H1B060AAHEHENATBVNANNNNNNN022U00NNN |
| 83017314 | H1-B-060-A-A-HE-HE-N-A-TB-VN-AN-N-N-NN-NN-022-S-00-NNN | H1B060AAHEHENATBVNANNNNNNN022S00NNN |
| 83017373 | H1-B-060-A-A-TA-DA-N-A-TB-VN-AN-N-N-NN-NN-022-Z-30-NNN | H1B060AATADANATBVNANNNNNNN022Z30NNN |
| 83017477 | H1-B-060-A-A-M1-CA-N-B-RB-CS-GS-P-A-10-NP-MB0-N-00-N05 | H1B060AAM1CANBRBCSGSPA10NPMB0N00N05 |
| 83017478 | H1-B-060-A-A-M1-CA-N-B-RB-CS-GS-P-N-NN-NP-MB0-N-00-N05 | H1B060AAM1CANBRBCSGSPNNNNPMB0N00N05 |
| 83017479 | H1-B-060-A-A-HE-HE-N-C-TB-CN-GN-N-A-05-NN-028-Z-00-NNN | H1B060AAHEHENCTBCNGNNA05NN028Z00NNN |
| 83017627 | H1-B-060-A-A-E2-AA-N-B-TB-CS-GS-S-A-05-NN-022-S-00-NNN | H1B060AAE2AANBTBCSGSSA05NN022S00NNN |
| 83017910 | H1-B-060-A-A-E2-AA-N-C-TB-VN-AN-N-N-NN-NN-038-Z-00-NNN | H1B060AAE2AANCTBVNANNNNNNN038Z00NNN |
| 83017911 | H1-B-060-A-A-E2-AA-N-C-TB-VN-AN-N-N-NN-NN-031-Z-00-NNN | H1B060AAE2AANCTBVNANNNNNNN031Z00NNN |
| 83018025 | H1-B-060-A-A-E2-AA-N-B-TB-CN-GN-N-A-10-NN-036-Z-00-NNN | H1B060AAE2AANBTBCNGNNA10NN036Z00NNN |
| 83018096 | H1-B-060-A-A-L2-BA-N-B-PB-VN-AN-N-A-10-NP-012-N-00-NNN | H1B060AAL2BANBPBVNANNA10NP012N00NNN |
| 83018278 | H1-B-060-A-A-E1-AA-N-A-TB-CN-GN-N-A-05-NN-035-Z-00-NNN | H1B060AAE1AANATBCNGNNA05NN035Z00NNN |
| 83018286 | H1-B-060-A-A-HE-HE-N-A-TB-VN-AN-N-N-NN-NN-040-Z-00-NNN | H1B060AAHEHENATBVNANNNNNNN040Z00NNN |
| 83018578 | H1-B-060-A-A-E2-AA-N-C-TB-VN-AN-N-N-NN-NN-038-R-00-NNN | H1B060AAE2AANCTBVNANNNNNNN038R00NNN |
| 83018579 | H1-B-060-A-A-E2-AA-N-C-TB-VN-AN-N-N-NN-NN-031-S-00-NNN | H1B060AAE2AANCTBVNANNNNNNN031S00NNN |
| 83018622 | H1-B-060-A-A-L1-BA-N-B-PM-CS-GS-S-A-10-NP-MB0-N-00-NNN | H1B060AAL1BANBPMCSGSSA10NPMB0N00NNN |
| 83019012 | H1-B-060-A-A-E1-AA-N-B-TB-CS-GS-S-A-05-NN-030-Z-00-NNN | H1B060AAE1AANBTBCSGSSA05NN030Z00NNN |
| 83019045 | H1-B-060-A-A-L1-BA-N-B-PB-CS-GS-S-A-10-NP-012-N-00-NNN | H1B060AAL1BANBPBCSGSSA10NP012N00NNN |
| 83019086 | H1-B-060-A-A-E1-AA-N-B-TB-CS-GS-S-A-05-NN-024-Z-00-NNN | H1B060AAE1AANBTBCSGSSA05NN024Z00NNN |
| 83019120 | H1-B-060-A-A-T1-D1-N-A-TA-DS-GS-S-N-NN-NN-015-Z-26-NNN | H1B060AAT1D1NATADSGSSNNNNN015Z26NNN |
| 83019232 | H1-B-060-A-A-K1-K1-N-A-RA-VS-AS-S-A-05-NP-025-N-24-NNN | H1B060AAK1K1NARAVSASSA05NP025N24NNN |
| 83019249 | H1-B-060-A-A-E1-AA-N-B-TB-VN-AN-N-N-NN-NN-030-Z-00-NNN | H1B060AAE1AANBTBVNANNNNNNN030Z00NNN |
| 83019412 | H1-B-060-A-A-T1-D1-N-A-TA-DN-GN-N-N-NN-NN-015-Z-26-NNN | H1B060AAT1D1NATADNGNNNNNNN015Z26NNN |
| 83019468 | H1-B-060-A-A-L2-BA-N-A-PA-VS-AS-S-A-05-NP-MB0-N-00-NNN | H1B060AAL2BANAPAVSASSA05NPMB0N00NNN |
| 83019492 | H1-B-060-A-A-HE-HE-N-C-TA-CS-GS-S-A-10-NN-024-Z-00-N09 | H1B060AAHEHENCTACSGSSA10NN024Z00N09 |
| 83019620 | H1-B-060-A-A-E2-AA-N-A-TB-CN-GN-N-A-05-NN-030-Z-00-NNN | H1B060AAE2AANATBCNGNNA05NN030Z00NNN |
| 83019621 | H1-B-060-A-A-E2-AA-N-A-TB-CS-GS-S-A-05-NN-030-Z-00-NNN | H1B060AAE2AANATBCSGSSA05NN030Z00NNN |
| 83019812 | H1-B-060-A-A-HE-HE-N-C-TA-CS-GS-S-A-10-NN-022-Z-00-N09 | H1B060AAHEHENCTACSGSSA10NN022Z00N09 |
| 83019976 | H1-B-060-A-A-T2-DA-N-A-TB-DS-GS-P-N-NN-NN-012-Z-20-NNN | H1B060AAT2DANATBDSGSPNNNNN012Z20NNN |
| 83019981 | H1-B-060-A-A-E2-AA-N-B-TB-CS-GS-S-A-10-NN-032-Z-00-NNN | H1B060AAE2AANBTBCSGSSA10NN032Z00NNN |
| 83020000 | H1-B-060-A-A-E2-AA-N-A-TA-VN-AN-N-N-NN-NN-020-U-00-NNN | H1B060AAE2AANATAVNANNNNNNN020U00NNN |
| 83020005 | H1-B-060-A-A-HE-HE-N-C-TB-CS-GS-S-N-NN-NN-030-Z-00-NNN | H1B060AAHEHENCTBCSGSSNNNNN030Z00NNN |
| 83020026 | H1-B-060-A-A-HE-HE-N-C-TB-CS-GS-P-A-05-NN-022-Z-00-NNN | H1B060AAHEHENCTBCSGSPA05NN022Z00NNN |
| 83020160 | H1-B-060-A-A-L2-BA-N-A-PB-VS-AS-S-A-05-NP-MB0-N-00-NNN | H1B060AAL2BANAPBVSASSA05NPMB0N00NNN |
| 83020202 | H1-B-060-A-A-HE-HE-N-A-TB-CN-GN-N-N-NN-NN-040-Z-00-NNN | H1B060AAHEHENATBCNGNNNNNNN040Z00NNN |
| 83020248 | H1-B-060-A-A-L2-BA-N-A-PA-VN-AN-N-N-NN-NP-022-N-00-NNN | H1B060AAL2BANAPAVNANNNNNNP022N00NNN |
| 83020304 | H1-B-060-A-A-T2-D2-N-B-TB-VN-AN-N-A-05-NN-023-Z-21-NNN | H1B060AAT2D2NBTBVNANNA05NN023Z21NNN |
| 83020414 | H1-B-060-A-A-TA-DA-N-A-TA-DN-HN-N-A-05-NN-036-Z-25-NNN | H1B060AATADANATADNHNNA05NN036Z25NNN |
| 83020498 | H1-B-060-A-A-E2-AA-N-B-TB-CS-GS-P-A-05-NN-025-Z-00-NNN | H1B060AAE2AANBTBCSGSPA05NN025Z00NNN |
| 83020657 | H1-B-060-A-A-T1-D1-N-B-TB-VS-AS-S-A-05-NN-022-Z-30-NNN | H1B060AAT1D1NBTBVSASSA05NN022Z30NNN |
| 83020888 | H1-B-060-A-A-HE-HE-N-B-TB-CN-GN-N-A-05-NN-013-Z-00-NNN | H1B060AAHEHENBTBCNGNNA05NN013Z00NNN |
| 83020889 | H1-B-060-A-A-HE-HE-N-B-TB-CN-GN-N-A-05-NN-024-Z-00-NNN | H1B060AAHEHENBTBCNGNNA05NN024Z00NNN |
| 83020890 | H1-B-060-A-A-HE-HE-N-B-TB-CS-GS-S-A-05-NN-013-Z-00-NNN | H1B060AAHEHENBTBCSGSSA05NN013Z00NNN |
| 83020947 | H1-B-060-A-A-HE-HE-N-B-TB-CN-GN-N-A-05-NN-013-R-00-NNN | H1B060AAHEHENBTBCNGNNA05NN013R00NNN |
| 83020948 | H1-B-060-A-A-HE-HE-N-B-TB-CS-GS-S-A-05-NN-013-R-00-NNN | H1B060AAHEHENBTBCSGSSA05NN013R00NNN |
| 83020949 | H1-B-060-A-A-HE-HE-N-B-TB-CN-GN-N-A-05-NN-024-R-00-NNN | H1B060AAHEHENBTBCNGNNA05NN024R00NNN |
| 83021124 | H1-B-060-A-A-L2-BA-N-B-PA-VS-AS-S-N-NN-NP-MB0-N-00-NNN | H1B060AAL2BANBPAVSASSNNNNPMB0N00NNN |
| 83021177 | H1-B-060-A-A-HF-HF-N-A-TB-VN-AN-N-N-NN-NN-MB0-Z-00-NNN | H1B060AAHFHFNATBVNANNNNNNNMB0Z00NNN |
| 83021593 | H1-B-060-A-A-L2-BA-N-B-PA-VS-AS-S-A-10-NP-016-N-00-NNN | H1B060AAL2BANBPAVSASSA10NP016N00NNN |
| 83021792 | H1-B-060-A-A-L1-BA-N-B-PB-CN-GN-N-A-10-NP-020-N-00-NNN | H1B060AAL1BANBPBCNGNNA10NP020N00NNN |
| 83021899 | H1-B-060-A-A-M2-CA-N-C-RB-DS-GS-S-A-10-NP-040-N-00-NNN | H1B060AAM2CANCRBDSGSSA10NP040N00NNN |
| 83022074 | H1-B-060-A-A-TA-DA-N-B-TB-VN-AN-N-N-NN-NN-020-Z-16-NNN | H1B060AATADANBTBVNANNNNNNN020Z16NNN |
| 83022224 | H1-B-060-A-A-HE-HE-N-A-TA-CS-GS-S-A-10-NN-022-Z-00-N09 | H1B060AAHEHENATACSGSSA10NN022Z00N09 |
| 83022555 | H1-B-060-A-A-HE-HE-N-B-TB-VN-AN-N-A-10-NN-015-Z-00-NNN | H1B060AAHEHENBTBVNANNA10NN015Z00NNN |
| 83022556 | H1-B-060-A-A-HE-HE-N-B-TB-VS-AS-S-A-10-NN-015-Z-00-NNN | H1B060AAHEHENBTBVSASSA10NN015Z00NNN |
| 83022676 | H1-B-060-A-A-D2-M2-N-A-PA-CS-HS-S-A-05-NP-016-N-28-NNN | H1B060AAD2M2NAPACSHSSA05NP016N28NNN |
| 83022842 | H1-B-060-A-A-L1-BA-N-B-PB-CS-GS-S-A-10-NP-MB0-N-00-N06 | H1B060AAL1BANBPBCSGSSA10NPMB0N00N06 |
| 83022880 | H1-B-060-A-A-D1-M1-N-B-PA-VS-AS-S-A-10-NP-012-N-30-NNN | H1B060AAD1M1NBPAVSASSA10NP012N30NNN |
| 83022885 | H1-B-060-A-A-NB-NT-N-N-TA-CS-GS-P-A-05-NN-012-Z-00-0NN | H1B060AANBNTNNTACSGSPA05NN012Z000NN |
| 83022886 | H1-B-060-A-A-NB-NT-N-N-TB-CS-GS-P-A-05-NN-012-Z-00-0NN | H1B060AANBNTNNTBCSGSPA05NN012Z000NN |
| 83022887 | H1-B-060-A-A-NB-NT-N-N-TA-VS-AS-P-A-05-NN-012-Z-00-0NN | H1B060AANBNTNNTAVSASPA05NN012Z000NN |
| 83022888 | H1-B-060-A-A-NB-NT-N-N-TB-VS-AS-P-A-05-NN-012-Z-00-0NN | H1B060AANBNTNNTBVSASPA05NN012Z000NN |
| 83023030 | H1-B-060-A-A-HE-HE-N-B-TB-CN-GN-N-N-NN-NN-030-Z-00-NNN | H1B060AAHEHENBTBCNGNNNNNNN030Z00NNN |
| 83023176 | H1-B-060-A-A-L1-BA-N-A-PA-DS-HS-S-A-10-NP-MB0-N-00-NNN | H1B060AAL1BANAPADSHSSA10NPMB0N00NNN |
| 83023355 | H1-B-060-A-A-HE-HE-N-B-TA-CN-GN-N-N-NN-NN-030-Z-00-NNN | H1B060AAHEHENBTACNGNNNNNNN030Z00NNN |
| 83023563 | H1-B-060-A-A-L2-BA-N-A-PA-VS-AS-S-A-10-NP-020-N-00-NNN | H1B060AAL2BANAPAVSASSA10NP020N00NNN |
| 83023703 | H1-B-060-A-A-E2-AA-N-B-TB-VN-AN-N-A-05-NN-018-Z-00-NNN | H1B060AAE2AANBTBVNANNA05NN018Z00NNN |
| 83023711 | H1-B-060-A-A-HE-HE-N-B-TB-CS-GS-S-A-15-NN-038-Z-00-N09 | H1B060AAHEHENBTBCSGSSA15NN038Z00N09 |
| 83023852 | H1-B-060-A-A-T2-D2-N-C-TB-VS-AS-S-A-05-NN-012-Z-20-NNN | H1B060AAT2D2NCTBVSASSA05NN012Z20NNN |
| 83023858 | H1-B-060-A-A-L1-BA-N-B-PB-DS-GS-S-A-05-NP-024-N-00-NNN | H1B060AAL1BANBPBDSGSSA05NP024N00NNN |
| 83023875 | H1-B-060-A-A-E1-AA-N-B-TA-DS-GS-S-A-10-NN-MB0-Z-00-NNN | H1B060AAE1AANBTADSGSSA10NNMB0Z00NNN |
| 83023880 | H1-B-060-A-A-L1-BA-N-B-PB-VN-AN-N-A-05-NP-018-N-00-NNN | H1B060AAL1BANBPBVNANNA05NP018N00NNN |
| 83023892 | H1-B-060-A-A-L1-BA-N-B-PB-VS-AS-S-A-05-NP-018-N-00-NNN | H1B060AAL1BANBPBVSASSA05NP018N00NNN |
| 83024102 | H1-B-060-A-A-HE-HE-N-B-TA-VS-AS-S-N-NN-NN-032-Z-00-NNN | H1B060AAHEHENBTAVSASSNNNNN032Z00NNN |
| 83024175 | H1-B-060-A-A-HE-HE-N-B-TA-DN-GN-N-N-NN-NN-022-R-00-NNN | H1B060AAHEHENBTADNGNNNNNNN022R00NNN |
| 83024195 | H1-B-060-A-A-T1-D1-N-B-TB-DS-GS-S-A-05-NN-035-Z-20-NNN | H1B060AAT1D1NBTBDSGSSA05NN035Z20NNN |
| 83024227 | H1-B-060-A-A-L2-BA-N-B-PB-CS-GS-S-A-05-NP-MB0-N-00-NNN | H1B060AAL2BANBPBCSGSSA05NPMB0N00NNN |
| 83024249 | H1-B-060-A-A-HE-HE-N-A-TA-CN-GN-N-N-NN-NN-MB0-Z-00-NNN | H1B060AAHEHENATACNGNNNNNNNMB0Z00NNN |
| 83024295 | H1-B-060-A-A-HE-HE-N-B-TA-VN-AN-N-N-NN-NN-032-Z-00-NNN | H1B060AAHEHENBTAVNANNNNNNN032Z00NNN |
| 83024458 | H1-B-060-A-A-M2-CA-N-A-RA-VN-AN-N-N-NN-NP-MB0-N-00-NNN | H1B060AAM2CANARAVNANNNNNNPMB0N00NNN |
| 83024506 | H1-B-060-A-A-T1-DA-N-B-TB-CN-GN-N-A-10-NN-035-Z-25-NNN | H1B060AAT1DANBTBCNGNNA10NN035Z25NNN |
| 83024539 | H1-B-060-A-A-E2-AA-N-B-TB-CS-GS-S-N-NN-NN-022-Q-00-NNN | H1B060AAE2AANBTBCSGSSNNNNN022Q00NNN |
| 83024666 | H1-B-060-A-A-TA-DA-N-B-TB-VN-AN-N-A-10-NN-036-Z-23-NNN | H1B060AATADANBTBVNANNA10NN036Z23NNN |
| 83024811 | H1-B-060-A-A-L1-BA-N-B-PA-VS-AS-S-N-NN-NP-019-N-00-NNN | H1B060AAL1BANBPAVSASSNNNNP019N00NNN |
| 83024883 | H1-B-060-A-A-E2-AA-N-B-TB-CN-GN-N-N-NN-NN-027-R-00-NNN | H1B060AAE2AANBTBCNGNNNNNNN027R00NNN |
| 83024889 | H1-B-060-A-A-HE-HE-N-B-TB-VN-AN-N-A-10-NN-040-Z-00-NNN | H1B060AAHEHENBTBVNANNA10NN040Z00NNN |
| 83024978 | H1-B-060-A-A-L1-BA-N-B-PB-VS-AS-S-N-NN-NP-019-N-00-NNN | H1B060AAL1BANBPBVSASSNNNNP019N00NNN |
| 83024989 | H1-B-060-A-A-L2-BA-N-A-PB-VN-AN-N-A-10-NP-025-N-00-NNN | H1B060AAL2BANAPBVNANNA10NP025N00NNN |
| 83025036 | H1-B-060-A-A-E2-AA-N-B-TB-VN-AN-N-N-NN-NN-016-Z-00-NNN | H1B060AAE2AANBTBVNANNNNNNN016Z00NNN |
| 83025296 | H1-B-060-A-A-E2-AA-N-B-TB-CS-GS-B-A-10-NN-032-Z-00-NNN | H1B060AAE2AANBTBCSGSBA10NN032Z00NNN |
| 83025469 | H1-B-060-A-A-E1-AA-N-C-TA-CN-GN-N-A-05-NN-030-Z-00-NNN | H1B060AAE1AANCTACNGNNA05NN030Z00NNN |
| 83025508 | H1-B-060-A-A-HE-HE-N-A-TB-VN-AN-N-N-NN-NN-036-Z-00-NNN | H1B060AAHEHENATBVNANNNNNNN036Z00NNN |
| 83025776 | H1-B-060-A-A-E1-AA-N-B-TB-VS-AS-P-A-05-NN-018-Z-00-NNN | H1B060AAE1AANBTBVSASPA05NN018Z00NNN |
| 83025802 | H1-B-060-A-A-T1-D1-N-B-TA-DS-HS-S-A-10-NN-027-Z-21-NNN | H1B060AAT1D1NBTADSHSSA10NN027Z21NNN |
| 83027635 | H1-B-060-A-A-L1-BA-N-B-PB-CN-GN-N-N-NN-NP-020-N-00-NNN | H1B060AAL1BANBPBCNGNNNNNNP020N00NNN |
| 83027754 | H1-B-060-A-A-L1-BA-N-A-PB-VS-AS-S-A-05-NP-012-N-00-NNN | H1B060AAL1BANAPBVSASSA05NP012N00NNN |
| 83027840 | H1-B-060-A-A-HE-HE-N-A-TA-CS-GS-S-N-NN-NN-039-R-00-N04 | H1B060AAHEHENATACSGSSNNNNN039R00N04 |
| 83027878 | H1-B-060-A-A-HE-HE-N-A-TA-CN-GN-N-N-NN-NN-039-R-00-N04 | H1B060AAHEHENATACNGNNNNNNN039R00N04 |
| 83027922 | H1-B-060-A-A-M2-CA-N-A-RB-VS-AS-S-A-05-NP-MB0-N-00-NNN | H1B060AAM2CANARBVSASSA05NPMB0N00NNN |
| 83028184 | H1-B-060-A-A-P1-D1-N-B-TL-VS-AS-S-A-10-NN-024-Z-24-NNN | H1B060AAP1D1NBTLVSASSA10NN024Z24NNN |
| 83028284 | H1-B-060-A-A-E2-AA-N-B-TA-DN-GN-N-N-NN-NN-030-Z-00-NNN | H1B060AAE2AANBTADNGNNNNNNN030Z00NNN |
| 83028342 | H1-B-060-A-A-D2-M2-N-B-PB-VS-AS-S-N-NN-NP-012-N-18-NNN | H1B060AAD2M2NBPBVSASSNNNNP012N18NNN |
| 83028373 | H1-B-060-A-A-HE-HE-N-B-TB-VN-AN-N-A-05-NN-019-Z-00-NNN | H1B060AAHEHENBTBVNANNA05NN019Z00NNN |
| 83028424 | H1-B-060-A-A-L2-BA-N-A-PB-CS-GS-S-N-NN-NP-012-N-00-N05 | H1B060AAL2BANAPBCSGSSNNNNP012N00N05 |
| 83028428 | H1-B-060-A-A-HE-HE-N-B-TB-CN-GN-N-A-10-NN-020-Z-00-NNN | H1B060AAHEHENBTBCNGNNA10NN020Z00NNN |
| 83028506 | H1-B-060-A-A-HE-HE-N-B-TB-CN-GN-N-A-10-NN-025-Z-00-NNN | H1B060AAHEHENBTBCNGNNA10NN025Z00NNN |
| 83028593 | H1-B-060-A-A-M2-CA-N-A-RA-VS-AS-S-A-05-NP-MB0-N-00-NNN | H1B060AAM2CANARAVSASSA05NPMB0N00NNN |
| 83028613 | H1-B-060-A-A-L2-BA-N-A-PB-VS-AS-S-A-10-NP-040-N-00-NNN | H1B060AAL2BANAPBVSASSA10NP040N00NNN |
| 83029015 | H1-B-060-A-A-L2-BA-N-B-PA-CS-GS-S-A-05-NP-012-N-00-NNN | H1B060AAL2BANBPACSGSSA05NP012N00NNN |
| 83029038 | H1-B-060-A-A-E2-AA-N-A-TB-CS-AS-S-A-10-NN-029-Z-00-NNN | H1B060AAE2AANATBCSASSA10NN029Z00NNN |
| 83029074 | H1-B-060-A-A-E2-AA-N-B-TB-CN-GN-N-A-10-NN-026-Z-00-NNN | H1B060AAE2AANBTBCNGNNA10NN026Z00NNN |
| 83029122 | H1-B-060-A-A-T1-D1-N-B-TA-DN-HN-N-A-05-NN-030-Z-27-NNN | H1B060AAT1D1NBTADNHNNA05NN030Z27NNN |
| 83029202 | H1-B-060-A-A-T2-D2-N-B-TB-DN-HN-N-A-10-NN-030-Z-24-NNN | H1B060AAT2D2NBTBDNHNNA10NN030Z24NNN |
| 83029336 | H1-B-060-A-A-HE-HE-N-A-TB-CS-GS-S-N-NN-NN-039-R-00-N04 | H1B060AAHEHENATBCSGSSNNNNN039R00N04 |
| 83029338 | H1-B-060-A-A-HE-HE-N-A-TB-CN-GN-N-N-NN-NN-039-R-00-N04 | H1B060AAHEHENATBCNGNNNNNNN039R00N04 |
| 83029525 | H1-B-060-A-A-L1-BA-N-B-PB-CS-GS-S-A-15-NP-MB0-N-00-N06 | H1B060AAL1BANBPBCSGSSA15NPMB0N00N06 |
| 83029557 | H1-B-060-A-A-E2-AA-N-A-TB-CS-AS-P-A-05-NN-020-Z-00-NNN | H1B060AAE2AANATBCSASPA05NN020Z00NNN |
| 83029663 | H1-B-060-A-A-HE-HE-N-B-TB-VN-AN-N-N-NN-NN-MB0-Z-00-NNN | H1B060AAHEHENBTBVNANNNNNNNMB0Z00NNN |
| 83029678 | H1-B-060-A-A-TA-D1-N-B-TB-VS-AS-S-A-10-NN-014-Z-28-NNN | H1B060AATAD1NBTBVSASSA10NN014Z28NNN |
| 83029828 | H1-B-060-A-A-M2-CA-N-B-RA-VS-AS-S-A-05-NP-016-N-00-NNN | H1B060AAM2CANBRAVSASSA05NP016N00NNN |
| 83030004 | H1-B-060-A-A-E1-AA-N-B-TB-CS-GS-S-A-10-NN-016-Z-00-NNN | H1B060AAE1AANBTBCSGSSA10NN016Z00NNN |
| 83030067 | H1-B-060-A-A-E2-AA-N-B-TB-CS-GS-B-A-05-NN-032-Z-00-NNN | H1B060AAE2AANBTBCSGSBA05NN032Z00NNN |
| 83030068 | H1-B-060-A-A-E2-AA-N-B-TB-CN-GN-N-A-05-NN-032-Z-00-NNN | H1B060AAE2AANBTBCNGNNA05NN032Z00NNN |
| 83030492 | H1-B-060-A-A-T2-DA-N-B-TA-VN-AN-N-A-10-NN-024-Z-16-NNN | H1B060AAT2DANBTAVNANNA10NN024Z16NNN |
| 83030606 | H1-B-060-A-A-E2-AA-N-A-TA-CS-AS-P-A-05-NN-020-Z-00-NNN | H1B060AAE2AANATACSASPA05NN020Z00NNN |
| 83030790 | H1-B-060-A-A-L2-BA-N-B-PB-DS-GS-B-A-05-NP-MB0-N-00-NNN | H1B060AAL2BANBPBDSGSBA05NPMB0N00NNN |
| 83030791 | H1-B-060-A-A-L2-BA-N-B-PB-DN-GN-N-A-05-NP-MB0-N-00-NNN | H1B060AAL2BANBPBDNGNNA05NPMB0N00NNN |
| 83030966 | H1-B-060-A-A-HE-HE-N-B-TB-CN-GN-N-A-10-NN-036-Q-00-NNN | H1B060AAHEHENBTBCNGNNA10NN036Q00NNN |
| 83031047 | H1-B-060-A-A-HE-HE-N-B-TB-CN-GN-N-A-10-NN-040-Z-00-NNN | H1B060AAHEHENBTBCNGNNA10NN040Z00NNN |
| 83031083 | H1-B-060-A-A-L2-BA-N-A-PB-CS-GS-B-A-05-NP-MB0-N-00-NNN | H1B060AAL2BANAPBCSGSBA05NPMB0N00NNN |
| 83031098 | H1-B-060-A-A-E2-AA-N-B-TB-VN-AN-N-A-10-NN-030-U-00-NNN | H1B060AAE2AANBTBVNANNA10NN030U00NNN |
| 83031104 | H1-B-060-A-A-E2-AA-N-B-TB-CN-GN-N-A-05-NN-025-S-00-NNN | H1B060AAE2AANBTBCNGNNA05NN025S00NNN |
| 83031413 | H1-B-060-A-A-E2-AA-N-B-TB-CS-GS-P-A-05-NN-036-Z-00-NNN | H1B060AAE2AANBTBCSGSPA05NN036Z00NNN |
| 83031551 | H1-B-060-A-A-P1-D1-N-N-TA-DN-GN-N-A-20-NN-000-Z-24-NNN | H1B060AAP1D1NNTADNGNNA20NN000Z24NNN |
| 83031798 | H1-B-060-A-A-M2-CA-N-B-RA-VS-AS-S-A-05-NP-MB0-N-00-NNN | H1B060AAM2CANBRAVSASSA05NPMB0N00NNN |
| 83031977 | H1-B-060-A-A-L2-BA-N-B-PB-CN-GN-N-A-05-NP-MB0-N-00-NNN | H1B060AAL2BANBPBCNGNNA05NPMB0N00NNN |
| 83032015 | H1-B-060-A-A-D1-M1-N-A-PA-VS-AS-S-A-05-NP-015-N-30-NNN | H1B060AAD1M1NAPAVSASSA05NP015N30NNN |
| 83032040 | H1-B-060-A-A-E2-AA-N-B-TB-VS-AS-S-N-NN-NN-040-R-00-NNN | H1B060AAE2AANBTBVSASSNNNNN040R00NNN |
| 83032140 | H1-B-060-A-A-E2-AA-N-B-TB-DS-GS-B-A-10-NN-028-Q-00-NNN | H1B060AAE2AANBTBDSGSBA10NN028Q00NNN |
| 83032143 | H1-B-060-A-A-E2-AA-N-B-TB-CN-GN-N-A-05-NN-036-Z-00-NNN | H1B060AAE2AANBTBCNGNNA05NN036Z00NNN |
| 83032229 | H1-B-060-A-A-HE-HE-N-B-TB-CS-GS-S-A-10-NN-030-Z-00-NNN | H1B060AAHEHENBTBCSGSSA10NN030Z00NNN |
| 83032363 | H1-B-060-A-A-M2-CA-N-B-RB-CN-GN-N-N-NN-NP-025-N-00-NNN | H1B060AAM2CANBRBCNGNNNNNNP025N00NNN |
| 83032566 | H1-B-060-A-A-E1-AA-N-B-TB-VN-AN-N-A-05-NN-012-Z-00-NNN | H1B060AAE1AANBTBVNANNA05NN012Z00NNN |
| 83032567 | H1-B-060-A-A-E1-AA-N-B-TB-VS-AS-S-A-05-NN-012-Z-00-NNN | H1B060AAE1AANBTBVSASSA05NN012Z00NNN |
| 83032584 | H1-B-060-A-A-M2-CA-N-A-RA-CS-GS-B-A-10-NP-025-N-00-NNN | H1B060AAM2CANARACSGSBA10NP025N00NNN |
| 83032700 | H1-B-060-A-A-T2-D2-N-B-TA-DS-GS-S-A-10-NN-040-Z-22-NNN | H1B060AAT2D2NBTADSGSSA10NN040Z22NNN |
| 83032814 | H1-B-060-A-A-L2-BA-N-A-PB-CS-HS-B-A-05-NP-012-N-00-NNN | H1B060AAL2BANAPBCSHSBA05NP012N00NNN |
| 83033243 | H1-B-060-A-A-TA-DA-N-A-TB-DN-GN-N-N-NN-NN-027-Q-18-NNN | H1B060AATADANATBDNGNNNNNNN027Q18NNN |
| 83033263 | H1-B-060-A-A-L2-BA-N-B-PB-VN-AN-N-A-10-NP-028-N-00-NNN | H1B060AAL2BANBPBVNANNA10NP028N00NNN |
| 83033369 | H1-B-060-A-A-E2-AA-N-B-TA-VN-AN-N-A-05-NN-015-Z-00-N12 | H1B060AAE2AANBTAVNANNA05NN015Z00N12 |
| 83033477 | H1-B-060-A-A-HE-HE-N-C-TA-VS-AS-P-A-10-NN-030-Z-00-NNN | H1B060AAHEHENCTAVSASPA10NN030Z00NNN |
| 83033586 | H1-B-060-A-A-E2-AA-N-B-TA-DS-GS-B-N-NN-NN-020-Z-00-NNN | H1B060AAE2AANBTADSGSBNNNNN020Z00NNN |
| 83033587 | H1-B-060-A-A-E2-AA-N-B-TA-DN-GN-N-N-NN-NN-020-Z-00-NNN | H1B060AAE2AANBTADNGNNNNNNN020Z00NNN |
| 83033588 | H1-B-060-A-A-E2-AA-N-B-TA-CS-GS-B-N-NN-NN-020-Z-00-NNN | H1B060AAE2AANBTACSGSBNNNNN020Z00NNN |
| 83033589 | H1-B-060-A-A-E2-AA-N-B-TA-CN-GN-N-N-NN-NN-020-Z-00-NNN | H1B060AAE2AANBTACNGNNNNNNN020Z00NNN |
| 83033590 | H1-B-060-A-A-M1-CA-N-B-RB-CS-GS-B-N-NN-NP-MB0-N-00-N05 | H1B060AAM1CANBRBCSGSBNNNNPMB0N00N05 |
| 83033598 | H1-B-060-A-A-E1-AA-N-A-TA-VN-AN-N-A-10-NN-019-Z-00-NNN | H1B060AAE1AANATAVNANNA10NN019Z00NNN |
| 83033885 | H1-B-060-A-A-E1-AA-N-B-TB-CN-GN-N-A-05-NN-028-Z-00-NNN | H1B060AAE1AANBTBCNGNNA05NN028Z00NNN |
| 83034155 | H1-B-060-A-A-E2-AA-N-B-TB-VS-AS-S-N-NN-NN-040-R-00-N13 | H1B060AAE2AANBTBVSASSNNNNN040R00N13 |
| 83034556 | H1-B-060-A-A-NB-NT-N-N-TA-VS-AS-P-N-NN-NN-000-Z-00-0NN | H1B060AANBNTNNTAVSASPNNNNN000Z000NN |
| 83034557 | H1-B-060-A-A-NB-NT-N-N-TB-VS-AS-P-N-NN-NN-000-Z-00-0NN | H1B060AANBNTNNTBVSASPNNNNN000Z000NN |
| 83034598 | H1-B-060-A-A-T2-D2-N-B-TB-VS-AS-B-A-10-NN-020-Z-27-NNN | H1B060AAT2D2NBTBVSASBA10NN020Z27NNN |
| 83035081 | H1-B-060-A-A-E2-AA-N-B-TB-VS-GS-B-N-NN-NN-020-Z-00-NNN | H1B060AAE2AANBTBVSGSBNNNNN020Z00NNN |
| 83035091 | H1-B-060-A-A-HE-HE-N-A-TB-VN-AN-N-A-10-NN-023-U-00-NNN | H1B060AAHEHENATBVNANNA10NN023U00NNN |
| 83035123 | H1-B-060-A-A-E2-AA-N-B-TB-CS-AS-P-A-05-NN-036-Z-00-NNN | H1B060AAE2AANBTBCSASPA05NN036Z00NNN |
| 83035209 | H1-B-060-A-A-L2-BA-N-B-PB-CN-GN-N-N-NN-NP-028-N-00-NNN | H1B060AAL2BANBPBCNGNNNNNNP028N00NNN |
| 83035256 | H1-B-060-A-A-HE-HE-N-B-TB-CN-GN-N-A-10-NN-028-Z-00-NNN | H1B060AAHEHENBTBCNGNNA10NN028Z00NNN |
| 83035332 | H1-B-060-A-A-F1-EA-N-B-TB-VN-AN-N-A-05-NN-012-Z-00-NNN | H1B060AAF1EANBTBVNANNA05NN012Z00NNN |
| 83035343 | H1-B-060-A-A-E2-AA-N-A-TB-VN-AN-N-N-NN-NN-030-Z-00-N09 | H1B060AAE2AANATBVNANNNNNNN030Z00N09 |
| 83035447 | H1-B-060-A-A-L2-BA-N-B-PA-CN-GN-N-N-NN-NP-028-N-00-NNN | H1B060AAL2BANBPACNGNNNNNNP028N00NNN |
| 83035516 | H1-B-060-A-A-L2-BA-N-B-PA-CN-GN-N-N-NN-NP-012-N-00-NNN | H1B060AAL2BANBPACNGNNNNNNP012N00NNN |
| 83035523 | H1-B-060-A-A-L2-BA-N-A-PB-CS-GS-B-A-05-NP-012-N-00-NNN | H1B060AAL2BANAPBCSGSBA05NP012N00NNN |
| 83035907 | H1-B-060-A-A-LH-BA-E-B-PB-VS-AS-P-N-NN-NP-016-N-00-NNN | H1B060AALHBAEBPBVSASPNNNNP016N00NNN |
| 83035908 | H1-B-060-A-A-LH-BA-E-B-PA-VS-AS-P-N-NN-NP-016-N-00-NNN | H1B060AALHBAEBPAVSASPNNNNP016N00NNN |
| 83036027 | H1-B-060-A-A-E1-AA-N-B-TB-DN-GN-N-N-NN-NN-040-R-00-NNN | H1B060AAE1AANBTBDNGNNNNNNN040R00NNN |
| 83036028 | H1-B-060-A-A-E1-AA-N-B-TB-DN-GN-N-N-NN-NN-036-Z-00-NNN | H1B060AAE1AANBTBDNGNNNNNNN036Z00NNN |
| 83036044 | H1-B-060-A-A-HE-HE-N-A-TB-VN-AN-N-A-10-NN-020-Z-00-NNN | H1B060AAHEHENATBVNANNA10NN020Z00NNN |
| 83036151 | H1-B-060-A-A-T1-D1-N-B-TB-VN-AN-N-A-05-NN-017-Z-17-NNN | H1B060AAT1D1NBTBVNANNA05NN017Z17NNN |
| 83036153 | H1-B-060-A-A-T1-D1-N-B-TB-VS-AS-S-A-05-NN-017-Z-17-NNN | H1B060AAT1D1NBTBVSASSA05NN017Z17NNN |
| 83036287 | H1-B-060-A-A-E1-AA-N-B-TB-VS-AS-P-N-NN-NN-040-R-00-N13 | H1B060AAE1AANBTBVSASPNNNNN040R00N13 |
| 83036288 | H1-B-060-A-A-E2-AA-N-B-TB-VS-AS-P-N-NN-NN-040-R-00-N13 | H1B060AAE2AANBTBVSASPNNNNN040R00N13 |
| 83036432 | H1-B-060-A-A-L1-BA-N-B-PB-CN-GN-N-N-NN-NP-MB0-N-00-NNN | H1B060AAL1BANBPBCNGNNNNNNPMB0N00NNN |
| 83036476 | H1-B-060-A-A-E1-AA-N-B-TA-VN-AN-N-A-05-NN-031-Z-00-NNN | H1B060AAE1AANBTAVNANNA05NN031Z00NNN |
| 83036525 | H1-B-060-A-A-E1-AA-N-C-TA-CS-GS-B-A-05-NN-030-Z-00-NNN | H1B060AAE1AANCTACSGSBA05NN030Z00NNN |
| 83036571 | H1-B-060-A-A-D2-M2-N-A-PA-VN-AN-N-A-05-NP-025-N-25-NNN | H1B060AAD2M2NAPAVNANNA05NP025N25NNN |
| 83036579 | H1-B-060-A-A-E1-AA-N-B-TA-DN-GN-N-A-10-NN-MB0-R-00-NNN | H1B060AAE1AANBTADNGNNA10NNMB0R00NNN |
| 83036784 | H1-B-060-A-A-E2-AA-N-B-TA-VS-AS-P-A-05-NN-015-Z-00-NNN | H1B060AAE2AANBTAVSASPA05NN015Z00NNN |
| 83037030 | H1-B-060-A-A-T2-DA-N-A-TB-VN-AN-N-N-NN-NN-022-Z-30-NNN | H1B060AAT2DANATBVNANNNNNNN022Z30NNN |
| 83037031 | H1-B-060-A-A-T2-DA-N-A-TB-VS-AS-B-N-NN-NN-022-Z-30-NNN | H1B060AAT2DANATBVSASBNNNNN022Z30NNN |
| 83037074 | H1-B-060-A-A-HE-HE-N-A-TB-VS-AS-P-N-NN-NN-016-Z-00-NNN | H1B060AAHEHENATBVSASPNNNNN016Z00NNN |
| 83037236 | H1-B-060-A-A-E1-AA-N-C-TB-VS-AS-P-A-10-NN-022-R-00-N04 | H1B060AAE1AANCTBVSASPA10NN022R00N04 |
| 83037886 | H1-B-060-A-A-F2-EA-N-C-TA-VS-AS-B-N-NN-NN-021-Z-00-NNN | H1B060AAF2EANCTAVSASBNNNNN021Z00NNN |
| 83037888 | H1-B-060-A-A-F2-EA-N-C-TA-VN-AN-N-N-NN-NN-024-Z-00-NNN | H1B060AAF2EANCTAVNANNNNNNN024Z00NNN |
| 83037941 | H1-B-060-A-A-T2-DA-N-A-TB-CS-GS-P-N-NN-NN-012-Z-20-NNN | H1B060AAT2DANATBCSGSPNNNNN012Z20NNN |
| 83037946 | H1-B-060-A-A-NB-NT-N-N-TB-VN-AN-N-A-10-NN-040-Z-00-NNN | H1B060AANBNTNNTBVNANNA10NN040Z00NNN |
| 83038540 | H1-B-060-A-A-T2-DA-N-B-TA-VS-AS-B-A-05-NN-015-Z-20-NNN | H1B060AAT2DANBTAVSASBA05NN015Z20NNN |
| 83038548 | H1-B-060-A-A-E1-AA-N-B-TB-VN-AN-N-N-NN-NN-015-Z-00-NNN | H1B060AAE1AANBTBVNANNNNNNN015Z00NNN |
| 83038549 | H1-B-060-A-A-E1-AA-N-B-TB-VS-AS-S-N-NN-NN-015-Z-00-NNN | H1B060AAE1AANBTBVSASSNNNNN015Z00NNN |
| 83038568 | H1-B-060-A-A-E1-AA-N-B-TB-VS-AS-B-N-NN-NN-040-R-00-N13 | H1B060AAE1AANBTBVSASBNNNNN040R00N13 |
| 83038569 | H1-B-060-A-A-E2-AA-N-B-TB-VS-AS-B-N-NN-NN-040-R-00-N13 | H1B060AAE2AANBTBVSASBNNNNN040R00N13 |
| 83038593 | H1-B-060-A-A-E2-AA-N-B-TB-CS-GS-S-N-NN-NN-032-Z-00-NNN | H1B060AAE2AANBTBCSGSSNNNNN032Z00NNN |
| 83038629 | H1-B-060-A-A-L2-BA-N-B-PB-CS-GS-S-A-10-NP-MB0-N-00-NNN | H1B060AAL2BANBPBCSGSSA10NPMB0N00NNN |
| 83038681 | H1-B-060-A-A-T1-DA-N-B-TB-VN-BN-N-A-10-NN-025-Z-20-NNN | H1B060AAT1DANBTBVNBNNA10NN025Z20NNN |
| 83038707 | H1-B-060-A-A-DH-MA-R-B-PB-VN-AN-N-N-NN-NP-030-N-16-NNN | H1B060AADHMARBPBVNANNNNNNP030N16NNN |
| 83038748 | H1-B-060-A-A-E1-AA-N-B-TB-DN-HN-N-A-10-NN-020-Z-00-NNN | H1B060AAE1AANBTBDNHNNA10NN020Z00NNN |
| 83038941 | H1-B-060-A-A-L2-BA-N-A-PB-VS-AS-S-A-05-NP-040-N-00-N12 | H1B060AAL2BANAPBVSASSA05NP040N00N12 |
| 83038947 | H1-B-060-A-A-DH-MA-W-B-PB-DN-GN-N-N-NN-NP-026-N-16-NNN | H1B060AADHMAWBPBDNGNNNNNNP026N16NNN |
| 83038980 | H1-B-060-A-A-HE-HE-N-B-TB-CN-GN-N-A-05-NN-027-Z-00-NNN | H1B060AAHEHENBTBCNGNNA05NN027Z00NNN |
| 83039004 | H1-B-060-A-A-HE-HE-N-B-TA-CN-GN-N-A-05-NN-040-Z-00-NNN | H1B060AAHEHENBTACNGNNA05NN040Z00NNN |
| 83039030 | H1-B-060-A-A-T2-DA-N-B-TA-DN-GN-N-A-10-NN-020-Z-18-NNN | H1B060AAT2DANBTADNGNNA10NN020Z18NNN |
| 83039045 | H1-B-060-A-A-D2-MA-N-B-PA-DS-GS-B-A-10-NP-036-N-16-NNN | H1B060AAD2MANBPADSGSBA10NP036N16NNN |
| 83039104 | H1-B-060-A-A-E2-AA-N-B-TB-CS-GS-P-N-NN-NN-022-Z-00-NNN | H1B060AAE2AANBTBCSGSPNNNNN022Z00NNN |
| 83039201 | H1-B-060-A-A-T2-DA-N-A-TB-VS-AS-S-N-NN-NN-022-Z-30-NNN | H1B060AAT2DANATBVSASSNNNNN022Z30NNN |
| 83039405 | H1-B-060-A-A-P2-DA-N-B-TA-DS-GS-B-A-05-NN-032-Z-24-NNN | H1B060AAP2DANBTADSGSBA05NN032Z24NNN |
| 83039671 | H1-B-060-A-A-T2-DA-N-B-TB-VN-AN-N-A-10-NN-036-Z-23-NNN | H1B060AAT2DANBTBVNANNA10NN036Z23NNN |
| 83039987 | H1-B-060-A-A-HE-HE-N-B-TB-VN-AN-N-N-NN-NN-030-Z-00-NNN | H1B060AAHEHENBTBVNANNNNNNN030Z00NNN |
| 83040213 | H1-B-060-A-A-LH-BA-Y-B-PA-DN-GN-N-N-NN-NP-030-N-00-NNN | H1B060AALHBAYBPADNGNNNNNNP030N00NNN |
| 83040505 | H1-B-060-A-A-E2-AA-N-B-TB-VN-AN-N-A-05-NN-020-Z-00-N12 | H1B060AAE2AANBTBVNANNA05NN020Z00N12 |
| 83040565 | H1-B-060-A-A-E2-AA-N-B-TB-DN-HN-N-N-NN-NN-030-Z-00-NNN | H1B060AAE2AANBTBDNHNNNNNNN030Z00NNN |
| 83040573 | H1-B-060-A-A-D1-MA-N-B-PA-VS-AS-P-A-10-NP-012-N-30-NNN | H1B060AAD1MANBPAVSASPA10NP012N30NNN |
| 83040577 | H1-B-060-A-A-TA-D2-N-B-TA-CS-GS-S-A-05-NN-035-Z-24-NNN | H1B060AATAD2NBTACSGSSA05NN035Z24NNN |
| 83040620 | H1-B-060-A-A-D2-MA-N-B-PB-VS-AS-B-N-NN-NP-012-N-19-NNN | H1B060AAD2MANBPBVSASBNNNNP012N19NNN |
| 83040629 | H1-B-060-A-A-E1-AA-N-B-TA-CS-AS-S-A-05-NN-039-Z-00-NNN | H1B060AAE1AANBTACSASSA05NN039Z00NNN |
| 83041161 | H1-B-060-A-A-F1-EA-N-B-TB-CS-GS-B-A-10-NN-016-S-00-N05 | H1B060AAF1EANBTBCSGSBA10NN016S00N05 |
| 83041163 | H1-B-060-A-A-HE-HE-N-A-TB-CN-GN-N-A-10-NN-039-R-00-N04 | H1B060AAHEHENATBCNGNNA10NN039R00N04 |
| 83041202 | H1-B-060-A-A-F1-EA-N-B-TB-CN-GN-N-A-10-NN-016-S-00-N05 | H1B060AAF1EANBTBCNGNNA10NN016S00N05 |
| 83041203 | H1-B-060-A-A-F1-EA-N-B-TB-CN-GN-N-A-10-NN-025-Z-00-N05 | H1B060AAF1EANBTBCNGNNA10NN025Z00N05 |
| 83041208 | H1-B-060-A-A-P2-DA-N-B-TA-CS-GS-B-A-10-NN-032-Z-24-NNN | H1B060AAP2DANBTACSGSBA10NN032Z24NNN |
| 83041399 | H1-B-060-A-A-F1-EA-N-B-TB-CN-GN-N-N-NN-NN-025-Z-00-N05 | H1B060AAF1EANBTBCNGNNNNNNN025Z00N05 |
| 83041456 | H1-B-060-A-A-DH-MH-B-C-PA-CS-GS-S-A-05-NP-024-N-18-NNN | H1B060AADHMHBCPACSGSSA05NP024N18NNN |
| 83041584 | H1-B-060-A-A-DH-MA-R-B-PB-DN-HN-N-N-NN-NP-020-N-28-NNN | H1B060AADHMARBPBDNHNNNNNNP020N28NNN |
| 83041933 | H1-B-060-A-A-E1-AA-N-B-TB-CN-GN-N-A-10-NN-016-Q-00-N05 | H1B060AAE1AANBTBCNGNNA10NN016Q00N05 |
| 83041934 | H1-B-060-A-A-E1-AA-N-B-TB-CS-GS-S-A-10-NN-016-Q-00-N05 | H1B060AAE1AANBTBCSGSSA10NN016Q00N05 |
| 83041935 | H1-B-060-A-A-E1-AA-N-B-TB-CN-GN-N-N-NN-NN-020-Z-00-N05 | H1B060AAE1AANBTBCNGNNNNNNN020Z00N05 |
| 83042278 | H1-B-060-A-A-P2-DA-N-A-TB-DS-GS-S-A-10-NN-012-Z-24-NNN | H1B060AAP2DANATBDSGSSA10NN012Z24NNN |
| 83042326 | H1-B-060-A-A-HE-HE-N-B-TB-VN-AN-N-N-NN-NN-035-Z-00-NNN | H1B060AAHEHENBTBVNANNNNNNN035Z00NNN |
| 83042334 | H1-B-060-A-A-E1-AA-N-B-TB-CN-GN-N-N-NN-NN-025-Z-00-N05 | H1B060AAE1AANBTBCNGNNNNNNN025Z00N05 |
| 83042347 | H1-B-060-A-A-E1-AA-N-B-TB-CS-GS-B-A-10-NN-016-S-00-N05 | H1B060AAE1AANBTBCSGSBA10NN016S00N05 |
| 83042349 | H1-B-060-A-A-E1-AA-N-B-TB-CN-GN-N-A-10-NN-016-S-00-N05 | H1B060AAE1AANBTBCNGNNA10NN016S00N05 |
| 83042887 | H1-B-060-A-A-LH-BA-I-B-PA-VN-AN-N-N-NN-NP-MB0-N-00-NNN | H1B060AALHBAIBPAVNANNNNNNPMB0N00NNN |
| 83042929 | H1-B-060-A-A-HE-HE-N-B-TB-VS-AS-B-A-05-NN-019-Z-00-NNN | H1B060AAHEHENBTBVSASBA05NN019Z00NNN |
| 83042981 | H1-B-060-A-A-TA-DA-N-A-TB-VN-AN-N-N-NN-NN-020-Z-20-NNN | H1B060AATADANATBVNANNNNNNN020Z20NNN |
| 83043128 | H1-B-060-A-A-HE-HE-N-B-TB-CS-GS-P-A-10-NN-030-Z-00-NNN | H1B060AAHEHENBTBCSGSPA10NN030Z00NNN |
| 83043200 | H1-B-060-A-A-LH-BA-E-B-PB-CS-GS-P-N-NN-NP-015-N-00-NNN | H1B060AALHBAEBPBCSGSPNNNNP015N00NNN |
| 83043375 | H1-B-060-A-A-E1-AA-N-B-TB-CS-GS-B-A-10-NN-016-Q-00-N05 | H1B060AAE1AANBTBCSGSBA10NN016Q00N05 |
| 83043380 | H1-B-060-A-A-E2-AA-N-A-TA-CN-GN-N-A-10-NN-MB0-Z-00-NNN | H1B060AAE2AANATACNGNNA10NNMB0Z00NNN |
| 83043564 | H1-B-060-A-A-LH-BA-K-C-PB-CN-GN-N-A-10-NP-025-N-00-NNN | H1B060AALHBAKCPBCNGNNA10NP025N00NNN |
| 83043870 | H1-B-060-A-A-LH-BA-E-B-PB-CS-HS-P-N-NN-NP-016-N-00-NNN | H1B060AALHBAEBPBCSHSPNNNNP016N00NNN |
| 83043871 | H1-B-060-A-A-LH-BA-E-B-PA-CS-HS-P-N-NN-NP-016-N-00-NNN | H1B060AALHBAEBPACSHSPNNNNP016N00NNN |
| 83043877 | H1-B-060-A-A-L1-BA-N-A-PA-CS-GS-S-A-10-NP-012-N-00-NNN | H1B060AAL1BANAPACSGSSA10NP012N00NNN |
| 83044132 | H1-B-060-A-A-T1-D1-N-B-TB-DN-GN-N-A-10-NN-022-Z-25-NNN | H1B060AAT1D1NBTBDNGNNA10NN022Z25NNN |
| 83044162 | H1-B-060-A-A-K1-KA-N-B-RB-CN-GN-N-N-NN-NP-035-N-28-NNN | H1B060AAK1KANBRBCNGNNNNNNP035N28NNN |
| 83044177 | H1-B-060-A-A-LH-BA-K-B-PA-CS-GS-S-A-10-NP-030-N-00-NNN | H1B060AALHBAKBPACSGSSA10NP030N00NNN |
| 83044208 | H1-B-060-A-A-L2-BA-N-B-PB-VN-AN-N-N-NN-NP-030-N-00-NNN | H1B060AAL2BANBPBVNANNNNNNP030N00NNN |
| 83044210 | H1-B-060-A-A-L2-BA-N-A-PB-VN-AN-N-N-NN-NP-030-N-00-NNN | H1B060AAL2BANAPBVNANNNNNNP030N00NNN |
| 83044290 | H1-B-060-A-A-P1-D1-N-A-TA-DS-GS-S-A-10-NN-022-Z-24-NNN | H1B060AAP1D1NATADSGSSA10NN022Z24NNN |
| 83044307 | H1-B-060-A-A-L2-BA-N-B-PB-VS-BS-S-A-05-NP-012-N-00-NNN | H1B060AAL2BANBPBVSBSSA05NP012N00NNN |
| 83044647 | H1-B-060-A-A-HE-HE-N-A-TB-CS-GS-B-N-NN-NN-039-R-00-N04 | H1B060AAHEHENATBCSGSBNNNNN039R00N04 |
| 83044686 | H1-B-060-A-A-T2-DA-N-B-TB-DN-HN-N-N-NN-NN-030-V-20-NNN | H1B060AAT2DANBTBDNHNNNNNNN030V20NNN |
| 83044822 | H1-B-060-A-A-HE-HE-N-B-TB-CS-GS-P-A-05-NN-025-R-00-NNN | H1B060AAHEHENBTBCSGSPA05NN025R00NNN |
| 83045190 | H1-B-060-A-A-T1-D1-N-B-TA-DS-GS-S-A-05-NN-022-Z-30-NNN | H1B060AAT1D1NBTADSGSSA05NN022Z30NNN |
| 83045271 | H1-B-060-A-A-E2-AA-N-B-TA-CS-GS-P-A-05-NN-018-Z-00-NNN | H1B060AAE2AANBTACSGSPA05NN018Z00NNN |
| 83045274 | H1-B-060-A-A-LH-BA-K-B-PB-CS-GS-S-A-05-NP-014-N-00-NNN | H1B060AALHBAKBPBCSGSSA05NP014N00NNN |
| 83045281 | H1-B-060-A-A-F2-EA-N-B-TB-VS-AS-P-N-NN-NN-015-Z-00-N12 | H1B060AAF2EANBTBVSASPNNNNN015Z00N12 |
| 83045284 | H1-B-060-A-A-L2-BA-N-B-PB-VS-AS-S-A-10-NP-015-N-00-NNN | H1B060AAL2BANBPBVSASSA10NP015N00NNN |
| 83045334 | H1-B-060-A-A-P2-D2-N-B-TA-VN-BN-N-A-10-NN-035-Z-24-NNN | H1B060AAP2D2NBTAVNBNNA10NN035Z24NNN |
| 83045353 | H1-B-060-A-A-D1-MA-N-B-PB-VN-BN-N-A-10-NP-033-N-30-NNN | H1B060AAD1MANBPBVNBNNA10NP033N30NNN |
| 83045395 | H1-B-060-A-A-F1-EA-N-B-TB-VN-BN-N-A-10-NN-025-Z-00-NNN | H1B060AAF1EANBTBVNBNNA10NN025Z00NNN |
| 83045511 | H1-B-060-A-A-E2-AA-N-B-TB-CS-GS-P-A-10-NN-015-Z-00-NNN | H1B060AAE2AANBTBCSGSPA10NN015Z00NNN |
| 83045571 | H1-B-060-A-A-LH-BA-D-B-PB-VS-AS-P-N-NN-NP-012-N-00-NNN | H1B060AALHBADBPBVSASPNNNNP012N00NNN |
| 83045766 | H1-B-060-A-A-TA-DA-N-B-TA-VN-AN-N-A-05-NN-025-Z-20-NNN | H1B060AATADANBTAVNANNA05NN025Z20NNN |
| 83045872 | H1-B-060-A-A-M1-CA-N-A-RB-DS-HS-S-A-10-NP-MB0-N-00-NNN | H1B060AAM1CANARBDSHSSA10NPMB0N00NNN |
| 83045914 | H1-B-060-A-A-LH-BA-V-A-PA-DS-HS-P-N-NN-NP-016-N-00-NNN | H1B060AALHBAVAPADSHSPNNNNP016N00NNN |
| 83046066 | H1-B-060-A-A-L1-BA-N-A-PB-CS-GS-B-A-10-NP-MB0-N-00-NNN | H1B060AAL1BANAPBCSGSBA10NPMB0N00NNN |
| 83046227 | H1-B-060-A-A-TA-DA-N-A-TB-VN-AN-N-N-NN-NN-030-Z-30-N09 | H1B060AATADANATBVNANNNNNNN030Z30N09 |
| 83046498 | H1-B-060-A-A-HE-HE-N-B-TB-VN-AN-N-A-05-NN-032-Z-00-NNN | H1B060AAHEHENBTBVNANNA05NN032Z00NNN |
| 83046510 | H1-B-060-A-A-L1-BA-N-A-PA-DN-GN-N-N-NN-NP-MB0-N-00-NNN | H1B060AAL1BANAPADNGNNNNNNPMB0N00NNN |
| 83046513 | H1-B-060-A-A-TA-DA-N-C-TA-CN-GN-N-N-NN-NN-030-Z-16-NNN | H1B060AATADANCTACNGNNNNNNN030Z16NNN |
| 83046522 | H1-B-060-A-A-LH-BA-K-B-PB-CS-GS-S-A-05-NP-012-N-00-NNN | H1B060AALHBAKBPBCSGSSA05NP012N00NNN |
| 83046566 | H1-B-060-A-A-HE-HE-N-B-TA-VS-AS-P-N-NN-NN-032-Z-00-NNN | H1B060AAHEHENBTAVSASPNNNNN032Z00NNN |
| 83046739 | H1-B-060-A-M-E2-AA-N-A-TB-CS-GS-S-E-05-NN-AB3-Z-00-N05 | H1B060AME2AANATBCSGSSE05NNAB3Z00N05 |
| 83046740 | H1-B-060-A-M-E2-AA-N-A-TB-CS-GS-S-E-05-NN-AB3-Q-00-N05 | H1B060AME2AANATBCSGSSE05NNAB3Q00N05 |
| 83047036 | H1-B-060-A-A-HE-HE-N-B-TB-CS-GS-P-A-05-NN-015-Z-00-NNN | H1B060AAHEHENBTBCSGSPA05NN015Z00NNN |
| 83047208 | H1-B-060-A-A-E1-AA-N-B-TB-CN-GN-N-A-10-NN-026-Z-00-NNN | H1B060AAE1AANBTBCNGNNA10NN026Z00NNN |
| 83047272 | H1-B-060-A-A-LH-BA-D-B-PA-VN-BN-N-N-NN-NP-030-N-00-NNN | H1B060AALHBADBPAVNBNNNNNNP030N00NNN |
| 83047644 | H1-B-060-A-A-F2-EA-N-A-TB-VS-AS-S-N-NN-NN-MB0-Z-00-NNN | H1B060AAF2EANATBVSASSNNNNNMB0Z00NNN |
| 83047823 | H1-B-060-A-A-E2-AA-N-B-TA-VS-AS-S-N-NN-NN-020-Z-00-NNN | H1B060AAE2AANBTAVSASSNNNNN020Z00NNN |
| 83047857 | H1-B-060-A-A-F2-EA-N-A-TB-VS-AS-S-A-05-NN-MB0-Z-00-NNN | H1B060AAF2EANATBVSASSA05NNMB0Z00NNN |
| 83047858 | H1-B-060-A-A-E2-AA-N-B-TB-CN-GN-N-N-NN-NN-040-Z-00-NNN | H1B060AAE2AANBTBCNGNNNNNNN040Z00NNN |
| 83048043 | H1-B-060-A-A-HE-HE-N-B-TA-VN-AN-N-N-NN-NN-025-Z-00-NNN | H1B060AAHEHENBTAVNANNNNNNN025Z00NNN |
| 83048044 | H1-B-060-A-A-HE-HE-N-B-TA-VS-AS-S-N-NN-NN-025-Z-00-NNN | H1B060AAHEHENBTAVSASSNNNNN025Z00NNN |
| 83048143 | H1-B-060-A-A-TA-DA-N-A-TB-VN-BN-N-N-NN-NN-026-Z-20-NNN | H1B060AATADANATBVNBNNNNNNN026Z20NNN |
| 83048144 | H1-B-060-A-A-TA-DA-N-A-TB-VN-BN-N-A-10-NN-022-Z-18-NNN | H1B060AATADANATBVNBNNA10NN022Z18NNN |
| 83048502 | H1-B-060-A-A-HE-HE-N-C-TA-CS-AS-P-A-05-NN-013-Z-00-NNN | H1B060AAHEHENCTACSASPA05NN013Z00NNN |
| 83048663 | H1-B-060-A-A-E2-AA-N-B-TB-CS-GS-S-A-05-NN-027-Z-00-NNN | H1B060AAE2AANBTBCSGSSA05NN027Z00NNN |
| 83048721 | H1-B-060-A-A-E2-AA-N-B-TA-VS-AS-P-A-05-NN-015-Z-00-N12 | H1B060AAE2AANBTAVSASPA05NN015Z00N12 |
| 83048731 | H1-B-060-A-A-HE-HE-N-B-TA-CN-GN-N-N-NN-NN-020-Z-00-NNN | H1B060AAHEHENBTACNGNNNNNNN020Z00NNN |
| 83048744 | H1-B-060-A-A-T1-D1-N-B-TA-DN-GN-N-A-05-NN-030-Z-16-NNN | H1B060AAT1D1NBTADNGNNA05NN030Z16NNN |
| 83048755 | H1-B-060-A-A-E2-AA-N-B-TA-DS-GS-S-N-NN-NN-030-Z-00-NNN | H1B060AAE2AANBTADSGSSNNNNN030Z00NNN |
| 83048759 | H1-B-060-A-A-LH-BA-I-A-PB-CN-GN-N-A-05-NP-012-N-00-NNN | H1B060AALHBAIAPBCNGNNA05NP012N00NNN |
| 83048838 | H1-B-060-A-A-E2-AA-N-B-TB-VS-AS-P-A-05-NN-020-Z-00-N12 | H1B060AAE2AANBTBVSASPA05NN020Z00N12 |
| 83048907 | H1-B-060-A-A-P2-D2-N-A-TB-DS-GS-S-A-10-NN-016-Z-24-NNN | H1B060AAP2D2NATBDSGSSA10NN016Z24NNN |
| 83048914 | H1-B-060-A-A-HE-HE-N-B-TA-CN-GN-N-A-05-NN-035-Z-00-NNN | H1B060AAHEHENBTACNGNNA05NN035Z00NNN |
| 83049093 | H1-B-060-A-A-HE-HE-N-B-TB-CS-GS-P-N-NN-NN-012-Z-00-NNN | H1B060AAHEHENBTBCSGSPNNNNN012Z00NNN |
| 83049094 | H1-B-060-A-A-HE-HE-N-B-TB-VS-AS-P-N-NN-NN-030-Z-00-NNN | H1B060AAHEHENBTBVSASPNNNNN030Z00NNN |
| 83049159 | H1-B-060-A-A-E1-AA-N-B-TB-DN-HN-N-N-NN-NN-030-Z-00-NNN | H1B060AAE1AANBTBDNHNNNNNNN030Z00NNN |
| 83049290 | H1-B-060-A-A-L2-BA-N-A-PB-CS-GS-B-N-NN-NP-012-N-00-NNN | H1B060AAL2BANAPBCSGSBNNNNP012N00NNN |
| 83049336 | H1-B-060-A-A-L1-BA-N-A-PB-CS-GS-B-N-NN-NP-012-N-00-NNN | H1B060AAL1BANAPBCSGSBNNNNP012N00NNN |
| 83049426 | H1-B-060-A-A-LH-BA-A-B-PA-VN-BN-N-A-10-NP-014-N-00-NNN | H1B060AALHBAABPAVNBNNA10NP014N00NNN |
| 83049427 | H1-B-060-A-A-F1-EA-N-B-TB-DN-GN-N-N-NN-NN-MB0-Q-00-NNN | H1B060AAF1EANBTBDNGNNNNNNNMB0Q00NNN |
| 83049461 | H1-B-060-A-A-NA-NR-N-N-PB-CN-GN-N-N-NN-NP-000-N-00-0NN | H1B060AANANRNNPBCNGNNNNNNP000N000NN |
| 83049497 | H1-B-060-A-A-L1-BA-N-A-PB-CS-GS-S-A-10-NP-MB0-N-00-NNN | H1B060AAL1BANAPBCSGSSA10NPMB0N00NNN |
| 83049592 | H1-B-060-A-A-HE-HE-N-B-TB-CN-GN-N-N-NN-NN-036-Q-00-NNN | H1B060AAHEHENBTBCNGNNNNNNN036Q00NNN |
| 83049680 | H1-B-060-A-A-L1-BA-N-A-PB-VN-AN-N-A-10-NP-MB0-N-00-NNN | H1B060AAL1BANAPBVNANNA10NPMB0N00NNN |
| 83049720 | H1-B-060-A-A-E1-AA-N-B-TB-VN-BN-N-A-05-NN-040-Z-00-NNN | H1B060AAE1AANBTBVNBNNA05NN040Z00NNN |
| 83049806 | H1-B-060-A-A-TH-HA-N-B-TA-DN-GN-N-N-NN-NN-015-Z-30-NNN | H1B060AATHHANBTADNGNNNNNNN015Z30NNN |
| 83050069 | H1-B-060-A-A-L1-BA-N-B-PB-CS-GS-B-N-NN-NP-020-N-00-NNN | H1B060AAL1BANBPBCSGSBNNNNP020N00NNN |
| 83050141 | H1-B-060-A-A-T2-DA-N-B-TA-DN-HN-N-A-05-NN-015-Z-20-NNN | H1B060AAT2DANBTADNHNNA05NN015Z20NNN |
| 83050188 | H1-B-060-A-A-HE-HE-N-B-TB-VS-AS-B-A-10-NN-040-Z-00-NNN | H1B060AAHEHENBTBVSASBA10NN040Z00NNN |
| 83050193 | H1-B-060-A-A-DH-MA-W-A-PB-DN-GN-N-N-NN-NP-026-N-13-NNN | H1B060AADHMAWAPBDNGNNNNNNP026N13NNN |
| 83050201 | H1-B-060-A-A-E2-AA-N-B-TB-CN-GN-N-N-NN-NN-020-Q-00-NNN | H1B060AAE2AANBTBCNGNNNNNNN020Q00NNN |
| 83050224 | H1-B-060-A-A-E2-AA-N-B-TB-CS-GS-P-N-NN-NN-020-Z-00-NNN | H1B060AAE2AANBTBCSGSPNNNNN020Z00NNN |
| 83050226 | H1-B-060-A-A-E2-AA-N-B-TB-CS-GS-P-N-NN-NN-020-S-00-NNN | H1B060AAE2AANBTBCSGSPNNNNN020S00NNN |
| 83050265 | H1-B-060-A-A-E2-AA-N-B-TB-CN-GN-N-N-NN-NN-017-Z-00-NNN | H1B060AAE2AANBTBCNGNNNNNNN017Z00NNN |
| 83050266 | H1-B-060-A-A-E2-AA-N-B-TB-CS-GS-P-N-NN-NN-032-Z-00-NNN | H1B060AAE2AANBTBCSGSPNNNNN032Z00NNN |
| 83050268 | H1-B-060-A-A-E1-AA-N-A-TB-CN-GN-N-A-10-NN-014-Z-00-N02 | H1B060AAE1AANATBCNGNNA10NN014Z00N02 |
| 83050314 | H1-B-060-A-A-HF-HF-N-B-TA-VN-AN-N-N-NN-NN-015-Z-00-NNN | H1B060AAHFHFNBTAVNANNNNNNN015Z00NNN |
| 83050470 | H1-B-060-A-A-HE-HE-N-C-TA-CS-GS-P-A-05-NN-013-Z-00-NNN | H1B060AAHEHENCTACSGSPA05NN013Z00NNN |
| 83050500 | H1-B-060-A-M-E2-AA-N-A-TB-CJ-GS-P-E-05-NN-AB3-Z-00-N05 | H1B060AME2AANATBCJGSPE05NNAB3Z00N05 |
| 83050524 | H1-B-060-A-A-L2-BA-N-B-PB-CS-GS-B-N-NN-NP-012-N-00-NNN | H1B060AAL2BANBPBCSGSBNNNNP012N00NNN |
| 83050528 | H1-B-060-A-A-L2-BA-N-B-PB-CN-GN-N-N-NN-NP-012-N-00-NNN | H1B060AAL2BANBPBCNGNNNNNNP012N00NNN |
| 83050580 | H1-B-060-A-A-L2-BA-N-B-PB-CS-GS-B-A-10-NP-MB0-N-00-NNN | H1B060AAL2BANBPBCSGSBA10NPMB0N00NNN |
| 83050618 | H1-B-060-A-A-P1-D1-N-B-TA-DS-HS-S-A-10-NN-022-Z-24-N11 | H1B060AAP1D1NBTADSHSSA10NN022Z24N11 |
| 83050619 | H1-B-060-A-A-L1-BA-N-B-PA-CS-AS-S-N-NN-NP-MB0-N-00-NNN | H1B060AAL1BANBPACSASSNNNNPMB0N00NNN |
| 83050632 | H1-B-060-A-M-E2-AA-N-A-TB-CJ-GS-P-E-05-NN-AB3-Q-00-N05 | H1B060AME2AANATBCJGSPE05NNAB3Q00N05 |
| 83050672 | H1-B-060-A-A-T2-D2-N-C-TB-VN-AN-N-A-05-NN-012-Z-22-NNN | H1B060AAT2D2NCTBVNANNA05NN012Z22NNN |
| 83050696 | H1-B-060-A-A-HF-HF-N-B-TA-DN-GN-N-N-NN-NN-018-Z-00-NNN | H1B060AAHFHFNBTADNGNNNNNNN018Z00NNN |
| 83050721 | H1-B-060-A-A-T2-D2-N-B-TB-DS-HS-B-A-05-NN-029-Q-30-NNN | H1B060AAT2D2NBTBDSHSBA05NN029Q30NNN |
| 83050731 | H1-B-060-A-A-HE-HE-N-B-TB-CS-GS-P-A-10-NN-040-Z-00-NNN | H1B060AAHEHENBTBCSGSPA10NN040Z00NNN |
| 83050816 | H1-B-060-A-A-T1-AD-N-C-TB-VN-BN-N-A-10-NN-030-Z-27-NNN | H1B060AAT1ADNCTBVNBNNA10NN030Z27NNN |
| 83051191 | H1-B-060-A-A-E2-AA-N-C-TB-VN-AN-N-N-NN-NN-038-Q-00-NNN | H1B060AAE2AANCTBVNANNNNNNN038Q00NNN |
| 83051224 | H1-B-060-A-A-E2-AA-N-B-TB-CS-GS-B-A-05-NN-030-Z-00-NNN | H1B060AAE2AANBTBCSGSBA05NN030Z00NNN |
| 83051225 | H1-B-060-A-A-E2-AA-N-B-TB-CN-GN-N-A-05-NN-030-Z-00-NNN | H1B060AAE2AANBTBCNGNNA05NN030Z00NNN |
| 83051467 | H1-B-060-A-A-HE-HE-N-B-TB-CS-GS-S-A-10-NN-025-R-00-NNN | H1B060AAHEHENBTBCSGSSA10NN025R00NNN |
| 83051493 | H1-B-060-A-A-P2-D2-N-A-TB-DN-GN-N-A-10-NN-016-Z-24-NNN | H1B060AAP2D2NATBDNGNNA10NN016Z24NNN |
| 83051582 | H1-B-060-A-A-HE-HE-N-B-TB-CS-GS-P-A-05-NN-020-Z-00-NNN | H1B060AAHEHENBTBCSGSPA05NN020Z00NNN |
| 83051897 | H1-B-060-A-A-F2-EA-N-B-TB-VS-AS-B-A-10-NN-025-V-00-NNN | H1B060AAF2EANBTBVSASBA10NN025V00NNN |
| 83051915 | H1-B-060-A-A-P1-D1-N-B-TA-VS-AS-S-A-05-NN-020-Z-24-NNN | H1B060AAP1D1NBTAVSASSA05NN020Z24NNN |
| 83051919 | H1-B-060-A-A-HE-HE-N-B-TA-CS-GS-S-A-10-NN-025-R-00-NNN | H1B060AAHEHENBTACSGSSA10NN025R00NNN |
| 83051979 | H1-B-060-A-A-E2-AA-N-B-TA-VN-AN-N-N-NN-NN-030-Z-00-NNN | H1B060AAE2AANBTAVNANNNNNNN030Z00NNN |
| 83052092 | H1-B-060-A-A-F1-EA-N-B-TA-VS-AS-B-N-NN-NN-MB0-Z-00-NNN | H1B060AAF1EANBTAVSASBNNNNNMB0Z00NNN |
| 83052113 | H1-B-060-A-A-M1-CA-N-B-RA-VS-AS-B-N-NN-NP-MB0-N-00-NNN | H1B060AAM1CANBRAVSASBNNNNPMB0N00NNN |
| 83052287 | H1-B-060-A-A-HE-HE-N-B-TA-DN-GN-N-A-05-NN-030-Z-00-NNN | H1B060AAHEHENBTADNGNNA05NN030Z00NNN |
| 83052288 | H1-B-060-A-A-HE-HE-N-B-TA-DS-GS-S-A-05-NN-030-Z-00-NNN | H1B060AAHEHENBTADSGSSA05NN030Z00NNN |
| 83052339 | H1-B-060-A-A-HE-HE-N-B-TA-CN-GN-N-A-05-NN-030-Z-00-NNN | H1B060AAHEHENBTACNGNNA05NN030Z00NNN |
| 83052340 | H1-B-060-A-A-HE-HE-N-B-TA-CS-GS-S-A-05-NN-030-Z-00-NNN | H1B060AAHEHENBTACSGSSA05NN030Z00NNN |
| 83052355 | H1-B-060-A-A-E1-AA-N-A-TB-CN-GN-N-A-05-NN-016-S-00-N05 | H1B060AAE1AANATBCNGNNA05NN016S00N05 |
| 83052358 | H1-B-060-A-A-E1-AA-N-A-TB-CN-GN-N-A-05-NN-016-Z-00-N05 | H1B060AAE1AANATBCNGNNA05NN016Z00N05 |
| 83052359 | H1-B-060-A-A-E1-AA-N-A-TB-CS-GS-S-A-05-NN-016-Z-00-N05 | H1B060AAE1AANATBCSGSSA05NN016Z00N05 |
| 83052360 | H1-B-060-A-A-E1-AA-N-A-TB-CS-GS-S-A-05-NN-016-S-00-N05 | H1B060AAE1AANATBCSGSSA05NN016S00N05 |
| 83052361 | H1-B-060-A-A-E1-AA-N-A-TB-CN-GN-N-A-05-NN-032-Z-00-N05 | H1B060AAE1AANATBCNGNNA05NN032Z00N05 |
| 83052383 | H1-B-060-A-M-M1-CA-N-A-RB-CS-GS-S-G-05-NP-MB0-N-00-N06 | H1B060AMM1CANARBCSGSSG05NPMB0N00N06 |
| 83052411 | H1-B-060-A-A-E1-AA-N-A-TB-CN-GN-N-A-05-NN-025-Z-00-N05 | H1B060AAE1AANATBCNGNNA05NN025Z00N05 |
| 83052437 | H1-B-060-A-A-HE-HE-N-B-TB-CN-GN-N-A-10-NN-028-U-00-NNN | H1B060AAHEHENBTBCNGNNA10NN028U00NNN |
| 83052672 | H1-B-060-A-A-D1-M1-N-B-PB-VS-AS-S-A-05-NP-018-N-30-NNN | H1B060AAD1M1NBPBVSASSA05NP018N30NNN |
| 83052673 | H1-B-060-A-A-D1-M1-N-B-PB-VN-AN-N-A-05-NP-018-N-30-NNN | H1B060AAD1M1NBPBVNANNA05NP018N30NNN |
| 83052734 | H1-B-060-A-A-L1-BA-N-B-PA-CS-GS-S-N-NN-NP-MB0-N-00-NNN | H1B060AAL1BANBPACSGSSNNNNPMB0N00NNN |
| 83052754 | H1-B-060-A-A-F1-EA-N-B-TB-VS-BS-S-A-05-NN-034-R-00-NNN | H1B060AAF1EANBTBVSBSSA05NN034R00NNN |
| 83052848 | H1-B-060-A-A-NA-NR-N-N-PA-VS-AS-P-A-10-NP-012-N-00-0NN | H1B060AANANRNNPAVSASPA10NP012N000NN |
| 83052863 | H1-B-060-A-A-NA-NR-N-N-PB-VS-AS-P-A-10-NP-012-N-00-0NN | H1B060AANANRNNPBVSASPA10NP012N000NN |
| 83053036 | H1-B-060-A-A-TA-DA-N-B-TB-VN-AN-N-A-10-NN-039-Z-30-NNN | H1B060AATADANBTBVNANNA10NN039Z30NNN |
| 83053091 | H1-B-060-A-A-MH-CA-T-B-RB-VN-AN-N-N-NN-NP-020-N-00-NNN | H1B060AAMHCATBRBVNANNNNNNP020N00NNN |
| 83053178 | H1-B-060-A-A-L2-BA-N-B-PB-CS-GS-B-A-05-NP-012-N-00-NNN | H1B060AAL2BANBPBCSGSBA05NP012N00NNN |
| 83053263 | H1-B-060-A-A-E2-AA-N-C-TB-VS-AS-P-N-NN-NN-022-R-00-N04 | H1B060AAE2AANCTBVSASPNNNNN022R00N04 |
| 83053358 | H1-B-060-A-A-HE-HE-N-C-TA-VS-GS-B-A-10-NN-026-Z-00-NNN | H1B060AAHEHENCTAVSGSBA10NN026Z00NNN |
| 83053426 | H1-B-060-A-A-HE-HE-N-B-TA-CS-GS-P-A-10-NN-012-Z-00-NNN | H1B060AAHEHENBTACSGSPA10NN012Z00NNN |
| 83053451 | H1-B-060-A-A-P1-D1-N-B-TA-DN-HN-N-A-10-NN-022-Z-24-N11 | H1B060AAP1D1NBTADNHNNA10NN022Z24N11 |
| 83053482 | H1-B-060-A-A-E2-AA-N-B-TB-VN-BN-N-A-05-NN-028-Z-00-NNN | H1B060AAE2AANBTBVNBNNA05NN028Z00NNN |
| 83053724 | H1-B-060-A-A-T1-D1-N-B-TB-VS-AS-P-A-05-NN-018-Z-30-NNN | H1B060AAT1D1NBTBVSASPA05NN018Z30NNN |
| 83053794 | H1-B-060-A-A-E1-AA-N-A-TB-CN-GN-N-G-05-NN-016-Z-00-N05 | H1B060AAE1AANATBCNGNNG05NN016Z00N05 |
| 83053816 | H1-B-060-A-A-E2-AA-N-B-TA-VS-AS-B-A-05-NN-015-Z-00-NNN | H1B060AAE2AANBTAVSASBA05NN015Z00NNN |
| 83053887 | H1-B-060-A-A-E2-AA-N-B-TB-CN-GN-N-N-NN-NN-012-Z-00-NNN | H1B060AAE2AANBTBCNGNNNNNNN012Z00NNN |
| 83053912 | H1-B-060-A-A-E1-AA-N-A-TB-CN-GN-N-G-05-NN-032-Z-00-N05 | H1B060AAE1AANATBCNGNNG05NN032Z00N05 |
| 83053914 | H1-B-060-A-A-E1-AA-N-A-TB-CS-GS-S-G-05-NN-016-S-00-N05 | H1B060AAE1AANATBCSGSSG05NN016S00N05 |
| 83053920 | H1-B-060-A-A-E1-AA-N-A-TB-CN-GN-N-G-05-NN-025-Z-00-N05 | H1B060AAE1AANATBCNGNNG05NN025Z00N05 |
| 83053922 | H1-B-060-A-A-E1-AA-N-A-TB-CS-GS-S-G-05-NN-016-Z-00-N05 | H1B060AAE1AANATBCSGSSG05NN016Z00N05 |
| 83053924 | H1-B-060-A-A-E1-AA-N-A-TB-CN-GN-N-G-05-NN-016-S-00-N05 | H1B060AAE1AANATBCNGNNG05NN016S00N05 |
| 83053971 | H1-B-060-A-A-M1-CA-N-B-RA-VS-AS-S-A-10-NP-012-N-00-NNN | H1B060AAM1CANBRAVSASSA10NP012N00NNN |
| 83054113 | H1-B-060-A-A-TA-DA-N-B-TB-DN-GN-N-A-05-NN-021-Z-20-NNN | H1B060AATADANBTBDNGNNA05NN021Z20NNN |
| 83054125 | H1-B-060-A-A-P1-D1-N-A-TL-VS-AS-S-A-10-NN-024-Z-24-NNN | H1B060AAP1D1NATLVSASSA10NN024Z24NNN |
| 83054247 | H1-B-060-A-A-K1-K1-N-A-RA-DS-GS-S-A-10-NP-012-N-17-NNN | H1B060AAK1K1NARADSGSSA10NP012N17NNN |
| 83054270 | H1-B-060-A-A-HE-HE-N-A-TB-CS-GS-S-N-NN-NN-039-R-00-NNN | H1B060AAHEHENATBCSGSSNNNNN039R00NNN |
| 83054271 | H1-B-060-A-A-HE-HE-N-A-TB-CN-GN-N-N-NN-NN-039-R-00-NNN | H1B060AAHEHENATBCNGNNNNNNN039R00NNN |
| 83054326 | H1-B-060-A-A-E2-AA-N-C-TB-VS-AS-P-A-10-NN-022-R-00-N04 | H1B060AAE2AANCTBVSASPA10NN022R00N04 |
| 83054441 | H1-B-060-A-A-DH-MA-W-A-PB-DN-GN-N-N-NN-NP-026-A-13-NNN | H1B060AADHMAWAPBDNGNNNNNNP026A13NNN |
| 83054598 | H1-B-060-A-A-E2-AA-N-A-TB-CS-GS-S-A-10-NN-030-Z-00-NNN | H1B060AAE2AANATBCSGSSA10NN030Z00NNN |
| 83054633 | H1-B-060-A-A-E2-AA-N-B-TB-CN-GN-N-N-NN-NN-020-Z-00-NNN | H1B060AAE2AANBTBCNGNNNNNNN020Z00NNN |
| 83054634 | H1-B-060-A-A-E1-AA-N-A-TB-CS-GS-S-G-05-NN-032-Z-00-N05 | H1B060AAE1AANATBCSGSSG05NN032Z00N05 |
| 83054636 | H1-B-060-A-M-M1-CA-N-A-RB-CS-GS-B-G-10-NP-MB0-N-00-N06 | H1B060AMM1CANARBCSGSBG10NPMB0N00N06 |
| 83054672 | H1-B-060-A-A-E2-AA-N-B-TB-CS-GS-B-N-NN-NN-027-Z-00-NNN | H1B060AAE2AANBTBCSGSBNNNNN027Z00NNN |
| 83054762 | H1-B-060-A-A-HF-HF-N-A-TA-VN-BN-N-N-NN-NN-033-Z-00-NNN | H1B060AAHFHFNATAVNBNNNNNNN033Z00NNN |
| 83054763 | H1-B-060-A-A-MH-CA-V-B-RA-DN-GN-N-N-NN-NP-MB0-N-00-NNN | H1B060AAMHCAVBRADNGNNNNNNPMB0N00NNN |
| 83054830 | H1-B-060-A-A-MH-CA-D-B-RA-VN-HN-N-N-NN-NP-021-N-00-NNN | H1B060AAMHCADBRAVNHNNNNNNP021N00NNN |
| 83054895 | H1-B-060-A-M-M1-CA-N-A-RB-CS-GS-B-N-NN-NP-MB0-N-00-N06 | H1B060AMM1CANARBCSGSBNNNNPMB0N00N06 |
| 83055249 | H1-B-060-A-A-L2-BA-N-B-PB-CS-GS-B-A-05-NP-MB0-N-00-NNN | H1B060AAL2BANBPBCSGSBA05NPMB0N00NNN |
| 83055290 | H1-B-060-A-A-L2-BA-N-A-PB-CS-GS-B-A-05-NP-012-N-00-N25 | H1B060AAL2BANAPBCSGSBA05NP012N00N25 |
| 83055319 | H1-B-060-A-A-TH-HA-N-B-TB-CN-GN-N-A-10-NN-030-Z-17-NNN | H1B060AATHHANBTBCNGNNA10NN030Z17NNN |
| 83055328 | H1-B-060-A-A-P1-D1-N-B-TA-DN-GN-N-A-05-NN-012-Z-24-NNN | H1B060AAP1D1NBTADNGNNA05NN012Z24NNN |
| 83055376 | H1-B-060-A-A-E2-AA-N-C-TA-VN-AN-N-N-NN-NN-038-R-00-NNN | H1B060AAE2AANCTAVNANNNNNNN038R00NNN |
| 83055398 | H1-B-060-A-A-P1-D1-N-B-TA-DN-GN-N-A-10-NN-012-Z-24-NNN | H1B060AAP1D1NBTADNGNNA10NN012Z24NNN |
| 83055791 | H1-B-060-A-A-E2-AA-N-B-TB-CN-GN-N-A-10-NN-012-Z-00-NNN | H1B060AAE2AANBTBCNGNNA10NN012Z00NNN |
| 83055800 | H1-B-060-A-A-E1-AA-N-B-TB-DN-GN-N-N-NN-NN-040-Z-00-NNN | H1B060AAE1AANBTBDNGNNNNNNN040Z00NNN |
| 83055894 | H1-B-060-A-A-DH-MA-O-B-PB-DN-HN-N-N-NN-NP-030-N-16-NNN | H1B060AADHMAOBPBDNHNNNNNNP030N16NNN |
| 83056026 | H1-B-060-A-A-E2-AA-N-B-TB-VN-BN-N-A-05-NN-020-Z-00-NNN | H1B060AAE2AANBTBVNBNNA05NN020Z00NNN |
| 83056127 | H1-B-060-A-A-P1-D1-N-B-TA-DS-HS-S-N-NN-NN-012-Z-24-NNN | H1B060AAP1D1NBTADSHSSNNNNN012Z24NNN |
| 83056170 | H1-B-060-A-A-E2-AA-N-B-TB-CS-GS-B-A-10-NN-012-Z-00-NNN | H1B060AAE2AANBTBCSGSBA10NN012Z00NNN |
| 83056199 | H1-B-060-A-A-F2-EA-N-B-TB-VS-AS-B-A-10-NN-012-Z-00-NNN | H1B060AAF2EANBTBVSASBA10NN012Z00NNN |
| 83056429 | H1-B-060-A-A-HE-HE-N-C-TB-CN-GN-N-A-10-NN-028-Z-00-NNN | H1B060AAHEHENCTBCNGNNA10NN028Z00NNN |
| 83056496 | H1-B-060-A-A-TA-DA-N-A-TA-VN-AN-N-A-10-NN-040-Z-18-NNN | H1B060AATADANATAVNANNA10NN040Z18NNN |
| 83056529 | H1-B-060-A-A-E2-AA-N-C-TB-CN-GN-N-A-05-NN-026-Z-00-NNN | H1B060AAE2AANCTBCNGNNA05NN026Z00NNN |
| 83056593 | H1-B-060-A-A-L2-BA-N-B-PB-CS-HS-S-A-10-NP-030-N-00-NNN | H1B060AAL2BANBPBCSHSSA10NP030N00NNN |
| 83056785 | H1-B-060-A-A-LH-BA-T-A-PB-VN-AN-N-N-NN-NP-028-N-00-NNN | H1B060AALHBATAPBVNANNNNNNP028N00NNN |
| 83056810 | H1-B-060-A-A-D2-MA-N-B-PB-VN-AN-N-A-05-NP-035-N-16-NNN | H1B060AAD2MANBPBVNANNA05NP035N16NNN |
| 83056837 | H1-B-060-A-A-KH-KA-M-B-RA-VS-AS-S-A-05-NP-014-N-30-NNN | H1B060AAKHKAMBRAVSASSA05NP014N30NNN |
| 83056924 | H1-B-060-A-A-HE-HE-N-B-TB-CS-GS-B-N-NN-NN-024-Z-00-NNN | H1B060AAHEHENBTBCSGSBNNNNN024Z00NNN |
| 83056975 | H1-B-060-A-A-D2-MA-N-B-PA-CS-GS-B-A-10-NP-030-N-23-NNN | H1B060AAD2MANBPACSGSBA10NP030N23NNN |
| 83056994 | H1-B-060-A-A-L2-BA-N-A-PA-VS-AS-B-A-05-NP-017-N-00-NNN | H1B060AAL2BANAPAVSASBA05NP017N00NNN |
| 83057255 | H1-B-060-A-A-E1-AA-N-C-TA-VN-AN-N-A-05-NN-MB0-Z-00-NNN | H1B060AAE1AANCTAVNANNA05NNMB0Z00NNN |
| 83057434 | H1-B-060-A-A-T2-D2-N-B-TB-VN-BN-N-A-05-NN-026-S-20-NNN | H1B060AAT2D2NBTBVNBNNA05NN026S20NNN |
| 83057535 | H1-B-060-A-A-L1-BA-N-B-PA-VS-AS-S-A-05-NP-MB0-N-00-NNN | H1B060AAL1BANBPAVSASSA05NPMB0N00NNN |
| 83057562 | H1-B-060-A-A-E2-AA-N-B-TA-VN-BN-N-N-NN-NN-022-Z-00-NNN | H1B060AAE2AANBTAVNBNNNNNNN022Z00NNN |
| 83057645 | H1-B-060-A-A-NB-NT-N-N-TB-DN-HN-N-A-05-NN-000-Z-00-NNN | H1B060AANBNTNNTBDNHNNA05NN000Z00NNN |
| 83057652 | H1-B-060-A-A-NB-NT-N-N-TA-DN-HN-N-A-05-NN-MB0-Z-00-NNN | H1B060AANBNTNNTADNHNNA05NNMB0Z00NNN |
| 83057950 | H1-B-060-A-A-E1-AA-N-B-TB-CN-AN-N-A-05-NN-032-Z-00-NNN | H1B060AAE1AANBTBCNANNA05NN032Z00NNN |
| 83058114 | H1-B-060-A-A-F2-EA-N-B-TB-VN-BN-N-N-NN-NN-030-Z-00-NNN | H1B060AAF2EANBTBVNBNNNNNNN030Z00NNN |
| 83058128 | H1-B-060-A-A-D2-MA-N-B-PA-CS-GS-B-A-10-NP-030-N-30-NNN | H1B060AAD2MANBPACSGSBA10NP030N30NNN |
| 83058130 | H1-B-060-A-A-T2-D2-N-B-TB-CS-GS-B-A-10-NN-030-Z-30-NNN | H1B060AAT2D2NBTBCSGSBA10NN030Z30NNN |
| 83058221 | H1-B-060-A-A-DH-MA-F-B-PB-VN-AN-N-N-NN-NP-028-N-16-NNN | H1B060AADHMAFBPBVNANNNNNNP028N16NNN |
| 83058242 | H1-B-060-A-A-E2-AA-N-C-TA-VN-AN-N-A-10-NN-028-Z-00-NNN | H1B060AAE2AANCTAVNANNA10NN028Z00NNN |
| 83058304 | H1-B-060-A-A-L2-BA-N-A-PA-DS-HS-S-A-10-NP-028-N-00-NNN | H1B060AAL2BANAPADSHSSA10NP028N00NNN |
| 83058384 | H1-B-060-A-A-M1-CA-N-B-RB-VS-HS-S-A-05-NP-012-N-00-NNN | H1B060AAM1CANBRBVSHSSA05NP012N00NNN |
| 83058459 | H1-B-060-A-A-D2-MA-N-B-PB-CS-GS-B-A-10-NP-030-N-20-NNN | H1B060AAD2MANBPBCSGSBA10NP030N20NNN |
| 83058557 | H1-B-060-A-A-L1-BA-N-B-PB-CS-GS-S-N-NN-NP-020-N-00-NNN | H1B060AAL1BANBPBCSGSSNNNNP020N00NNN |
| 83058599 | H1-B-060-A-A-HE-HE-N-A-TB-CS-GS-B-N-NN-NN-032-S-00-N04 | H1B060AAHEHENATBCSGSBNNNNN032S00N04 |
| 83058600 | H1-B-060-A-A-HE-HE-N-A-TB-CN-GN-N-A-10-NN-032-S-00-N04 | H1B060AAHEHENATBCNGNNA10NN032S00N04 |
| 83058612 | H1-B-060-A-A-TH-HA-N-A-TA-CN-HN-N-N-NN-NN-012-Z-16-NNN | H1B060AATHHANATACNHNNNNNNN012Z16NNN |
| 83058713 | H1-B-060-A-A-P1-D1-N-B-TA-DS-HS-S-N-NN-NN-016-Z-24-NNN | H1B060AAP1D1NBTADSHSSNNNNN016Z24NNN |
| 83058729 | H1-B-060-A-A-P1-D1-N-B-TA-DS-HS-S-N-NN-NN-016-Z-24-N14 | H1B060AAP1D1NBTADSHSSNNNNN016Z24N14 |
| 83058985 | H1-B-060-A-A-L2-BA-N-B-PB-VS-BS-S-A-10-NP-040-N-00-NNN | H1B060AAL2BANBPBVSBSSA10NP040N00NNN |
| 83059188 | H1-B-060-A-A-HE-HE-N-B-TB-CN-GN-N-A-10-NN-018-U-00-NNN | H1B060AAHEHENBTBCNGNNA10NN018U00NNN |
| 83059217 | H1-B-060-A-A-L2-BA-N-B-PA-CS-GS-S-A-05-NP-MB0-A-00-NNN | H1B060AAL2BANBPACSGSSA05NPMB0A00NNN |
| 83059224 | H1-B-060-A-A-D1-MA-N-B-PB-VN-AN-N-A-05-NP-028-N-24-NNN | H1B060AAD1MANBPBVNANNA05NP028N24NNN |
| 83059391 | H1-B-060-A-A-TH-HB-N-B-TA-VN-AN-N-A-05-NN-024-Z-16-NNN | H1B060AATHHBNBTAVNANNA05NN024Z16NNN |
| 83059403 | H1-B-060-A-A-T1-DA-N-B-TA-VN-BN-N-N-NN-NN-017-Z-30-NNN | H1B060AAT1DANBTAVNBNNNNNNN017Z30NNN |
| 83059740 | H1-B-060-A-A-TA-DA-N-B-TB-CN-GN-N-N-NN-NN-030-Z-16-NNN | H1B060AATADANBTBCNGNNNNNNN030Z16NNN |
| 83059760 | H1-B-060-A-A-HE-HE-N-C-TB-VS-AS-B-A-05-NN-028-Z-00-NNN | H1B060AAHEHENCTBVSASBA05NN028Z00NNN |
| 83059884 | H1-B-060-A-A-E1-AA-N-B-TB-VN-AN-N-A-05-NN-028-Z-00-NNN | H1B060AAE1AANBTBVNANNA05NN028Z00NNN |
| 83060200 | H1-B-060-A-A-T1-D1-N-B-TB-VS-AS-S-A-05-NN-025-Z-19-NNN | H1B060AAT1D1NBTBVSASSA05NN025Z19NNN |
| 83060384 | H1-B-060-A-A-DH-MA-I-B-PB-DN-GN-N-N-NN-NP-028-N-30-NNN | H1B060AADHMAIBPBDNGNNNNNNP028N30NNN |
| 83060508 | H1-B-060-A-A-DH-MA-I-B-PB-DN-GN-N-N-NN-NP-028-A-30-NNN | H1B060AADHMAIBPBDNGNNNNNNP028A30NNN |
| 83060670 | H1-B-060-A-A-E2-AA-N-B-TA-VN-AN-N-N-NN-NN-015-Z-00-NNN | H1B060AAE2AANBTAVNANNNNNNN015Z00NNN |
| 83060927 | H1-B-060-A-A-TH-HA-N-B-TB-CN-GN-N-A-05-NN-030-Z-17-NNN | H1B060AATHHANBTBCNGNNA05NN030Z17NNN |
| 83060980 | H1-B-060-A-A-E1-AA-N-B-TB-VN-AN-N-A-10-NN-040-Z-00-NNN | H1B060AAE1AANBTBVNANNA10NN040Z00NNN |
| 83061045 | H1-B-060-A-A-DH-MA-I-B-PB-VN-AN-N-A-10-NP-040-N-16-NNN | H1B060AADHMAIBPBVNANNA10NP040N16NNN |
| 83061048 | H1-B-060-A-A-E1-AA-N-B-TA-DN-HN-N-A-05-NN-040-Z-00-NNN | H1B060AAE1AANBTADNHNNA05NN040Z00NNN |
| 83061516 | H1-B-060-A-A-M1-CA-N-B-RA-VS-AS-S-A-10-NP-MB0-N-00-NNN | H1B060AAM1CANBRAVSASSA10NPMB0N00NNN |
| 83061655 | H1-B-060-A-A-NA-NR-N-N-PB-CS-GS-P-N-NN-NP-000-N-00-0NN | H1B060AANANRNNPBCSGSPNNNNP000N000NN |
| 83061656 | H1-B-060-A-A-NA-NR-N-N-PA-CS-AS-P-N-NN-NP-000-N-00-0NN | H1B060AANANRNNPACSASPNNNNP000N000NN |
| 83061657 | H1-B-060-A-A-NA-NR-N-N-PB-CS-GS-P-A-10-NP-000-N-00-0NN | H1B060AANANRNNPBCSGSPA10NP000N000NN |
| 83061668 | H1-B-060-A-A-NA-NR-N-N-PB-VS-AS-P-A-05-NP-000-N-00-0NN | H1B060AANANRNNPBVSASPA05NP000N000NN |
| 83061669 | H1-B-060-A-A-NA-NR-N-N-PA-VS-AS-P-A-05-NP-000-N-00-0NN | H1B060AANANRNNPAVSASPA05NP000N000NN |
| 83061670 | H1-B-060-A-A-NA-NR-N-N-PA-CS-GS-P-A-05-NP-000-N-00-0NN | H1B060AANANRNNPACSGSPA05NP000N000NN |
| 83061766 | H1-B-060-A-A-NB-NT-N-N-TA-CS-AS-P-A-05-NN-000-Z-00-0NN | H1B060AANBNTNNTACSASPA05NN000Z000NN |
| 83062000 | H1-B-060-A-A-E1-AA-N-B-TB-DN-HN-N-A-10-NN-023-Z-00-NNN | H1B060AAE1AANBTBDNHNNA10NN023Z00NNN |
| 83062174 | H1-B-060-A-A-D1-MA-N-B-PB-CN-GN-N-A-05-NP-012-N-29-NNN | H1B060AAD1MANBPBCNGNNA05NP012N29NNN |
| 83062249 | H1-B-060-A-A-HE-HE-N-B-TB-CN-GN-N-N-NN-NN-012-U-00-NNN | H1B060AAHEHENBTBCNGNNNNNNN012U00NNN |
| 83062258 | H1-B-060-A-A-T1-DA-N-B-TA-DN-HN-N-N-NN-NN-012-V-28-NNN | H1B060AAT1DANBTADNHNNNNNNN012V28NNN |
| 83062274 | H1-B-060-A-A-HE-HE-N-A-TB-CN-GN-N-A-10-NN-029-S-00-N04 | H1B060AAHEHENATBCNGNNA10NN029S00N04 |
| 83062275 | H1-B-060-A-A-HE-HE-N-A-TB-CS-GS-B-N-NN-NN-029-S-00-N04 | H1B060AAHEHENATBCSGSBNNNNN029S00N04 |
| 83062424 | H1-B-060-A-A-T1-DA-N-B-TA-CN-GN-N-N-NN-NN-012-V-28-NNN | H1B060AAT1DANBTACNGNNNNNNN012V28NNN |
| 83062508 | H1-B-060-A-A-TH-HA-N-A-TA-DN-GN-N-N-NN-NN-021-S-20-NNN | H1B060AATHHANATADNGNNNNNNN021S20NNN |
| 83062644 | H1-B-060-A-A-HE-HE-N-B-TB-CN-GN-N-A-10-NN-023-Z-00-NNN | H1B060AAHEHENBTBCNGNNA10NN023Z00NNN |
| 83062876 | H1-B-060-A-A-HE-HE-N-A-TA-CN-GN-N-A-05-NN-012-Z-00-NNN | H1B060AAHEHENATACNGNNA05NN012Z00NNN |
| 83062879 | H1-B-060-A-A-LH-BA-R-A-PA-CN-GN-N-A-05-NP-MB0-N-00-NNN | H1B060AALHBARAPACNGNNA05NPMB0N00NNN |
| 83063019 | H1-B-060-A-A-HE-HE-N-A-TA-CS-GS-S-A-10-NN-028-Z-00-NNN | H1B060AAHEHENATACSGSSA10NN028Z00NNN |
| 83063681 | H1-B-060-A-A-D1-M1-N-B-PA-CN-GN-N-A-10-NP-014-N-29-NNN | H1B060AAD1M1NBPACNGNNA10NP014N29NNN |
| 83063952 | H1-B-060-A-A-TA-DA-N-B-TB-VN-AN-N-A-10-NN-040-Z-26-NNN | H1B060AATADANBTBVNANNA10NN040Z26NNN |
| 83064019 | H1-B-060-A-M-L1-BA-N-A-PB-CS-GS-S-G-05-NP-MB0-N-00-NNN | H1B060AML1BANAPBCSGSSG05NPMB0N00NNN |
| 83064043 | H1-B-060-A-A-T1-D1-N-B-TA-DN-GN-N-A-05-NN-026-Z-13-NNN | H1B060AAT1D1NBTADNGNNA05NN026Z13NNN |
| 83064432 | H1-B-060-A-A-E2-AA-N-B-TB-CS-GS-P-A-05-NN-035-Z-00-NNN | H1B060AAE2AANBTBCSGSPA05NN035Z00NNN |
| 83064581 | H1-B-060-A-A-NB-NT-N-N-TA-VN-AN-N-N-NN-NN-000-Q-00-NNN | H1B060AANBNTNNTAVNANNNNNNN000Q00NNN |
| 83064677 | H1-B-060-A-A-L2-BA-N-B-PB-DS-GS-B-N-NN-NP-012-N-00-NNN | H1B060AAL2BANBPBDSGSBNNNNP012N00NNN |
| 83064816 | H1-B-060-A-A-L1-BA-N-B-PB-CS-GS-S-A-10-NP-MB0-N-00-N06 | H1B060AAL1BANBPBCSGSSA10NPMB0N00N06 |
| 83064817 | H1-B-060-A-A-E1-AA-N-B-TB-CN-GN-N-G-05-NN-032-Z-00-N05 | H1B060AAE1AANBTBCNGNNG05NN032Z00N05 |
| 83064820 | H1-B-060-A-A-E1-AA-N-B-TB-CN-GN-N-G-05-NN-016-S-00-N05 | H1B060AAE1AANBTBCNGNNG05NN016S00N05 |
| 83064821 | H1-B-060-A-A-E1-AA-N-B-TB-CS-GS-B-G-05-NN-016-S-00-N05 | H1B060AAE1AANBTBCSGSBG05NN016S00N05 |
| 83064822 | H1-B-060-A-A-E1-AA-N-B-TB-CN-GN-N-G-05-NN-025-Z-00-N05 | H1B060AAE1AANBTBCNGNNG05NN025Z00N05 |
| 83064823 | H1-B-060-A-A-E1-AA-N-B-TB-CS-GS-B-G-05-NN-016-Z-00-N05 | H1B060AAE1AANBTBCSGSBG05NN016Z00N05 |
| 83064851 | H1-B-060-A-A-HE-HE-N-B-TA-VN-AN-N-N-NN-NN-030-Z-00-NNN | H1B060AAHEHENBTAVNANNNNNNN030Z00NNN |
| 83064862 | H1-B-060-A-A-HE-HE-N-B-TA-VS-AS-B-N-NN-NN-030-Z-00-NNN | H1B060AAHEHENBTAVSASBNNNNN030Z00NNN |
| 83064897 | H1-B-060-A-M-M1-CA-N-B-RB-CS-GS-S-G-05-NP-MB0-N-00-N06 | H1B060AMM1CANBRBCSGSSG05NPMB0N00N06 |
| 83065010 | H1-B-060-A-A-TA-DA-N-B-TB-VN-AN-N-A-10-NN-012-Z-24-NNN | H1B060AATADANBTBVNANNA10NN012Z24NNN |
| 83065025 | H1-B-060-A-A-E1-AA-N-B-TB-CN-GN-N-G-05-NN-016-Z-00-N05 | H1B060AAE1AANBTBCNGNNG05NN016Z00N05 |
| 83065155 | H1-B-060-A-A-DH-MA-O-B-PB-DN-HN-N-N-NN-NP-030-N-13-NNN | H1B060AADHMAOBPBDNHNNNNNNP030N13NNN |
| 83065251 | H1-B-060-A-A-L1-BA-N-B-PA-DS-HS-S-A-10-NP-016-N-00-NNN | H1B060AAL1BANBPADSHSSA10NP016N00NNN |
| 83065261 | H1-B-060-A-A-E2-AA-N-A-TB-VS-BS-S-A-10-NN-036-Z-00-NNN | H1B060AAE2AANATBVSBSSA10NN036Z00NNN |
| 83065262 | H1-B-060-A-A-E2-AA-N-B-TB-VS-BS-S-A-10-NN-036-Z-00-NNN | H1B060AAE2AANBTBVSBSSA10NN036Z00NNN |
| 83065466 | H1-B-060-A-A-TA-DA-N-A-TB-DN-HN-N-N-NN-NN-030-Z-23-NNN | H1B060AATADANATBDNHNNNNNNN030Z23NNN |
| 83065534 | H1-B-060-A-A-T2-DA-N-B-TB-VS-BS-S-A-10-NN-015-Z-30-NNN | H1B060AAT2DANBTBVSBSSA10NN015Z30NNN |
| 83065610 | H1-B-060-A-A-E2-AA-N-B-TB-VS-BS-S-N-NN-NN-036-Z-00-NNN | H1B060AAE2AANBTBVSBSSNNNNN036Z00NNN |
| 83065763 | H1-B-060-A-A-LH-BA-C-C-PB-CN-HN-N-A-10-NP-030-N-00-NNN | H1B060AALHBACCPBCNHNNA10NP030N00NNN |
| 83065958 | H1-B-060-A-A-M1-CA-N-B-RA-DS-HS-S-A-10-NP-016-N-00-NNN | H1B060AAM1CANBRADSHSSA10NP016N00NNN |
| 83066595 | H1-B-060-A-A-TA-D2-N-B-TA-DN-GN-N-A-10-NN-040-Z-26-NNN | H1B060AATAD2NBTADNGNNA10NN040Z26NNN |
| 83066897 | H1-B-060-A-A-L2-BA-N-B-PB-VS-BS-S-A-05-NP-MB0-N-00-NNN | H1B060AAL2BANBPBVSBSSA05NPMB0N00NNN |
| 83066980 | H1-B-060-A-A-L2-BA-N-A-PB-CS-HS-P-A-10-NP-MB0-N-00-N09 | H1B060AAL2BANAPBCSHSPA10NPMB0N00N09 |
| 83067043 | H1-B-060-A-A-M2-CA-N-B-RB-VS-AS-S-N-NN-NP-MB0-N-00-NNN | H1B060AAM2CANBRBVSASSNNNNPMB0N00NNN |
| 83067053 | H1-B-060-A-M-M1-CA-N-B-RB-CS-GS-S-N-NN-NP-MB0-N-00-N06 | H1B060AMM1CANBRBCSGSSNNNNPMB0N00N06 |
| 83067112 | H1-B-060-A-A-K1-K1-N-B-RA-DS-HS-S-A-10-NP-019-N-21-NNN | H1B060AAK1K1NBRADSHSSA10NP019N21NNN |
| 83067355 | H1-B-060-A-M-M1-CA-N-B-RB-CS-GS-S-N-NN-NP-MB0-N-00-N05 | H1B060AMM1CANBRBCSGSSNNNNPMB0N00N05 |
| 83067356 | H1-B-060-A-M-M1-CA-N-B-RB-CS-GS-S-G-05-NP-MB0-N-00-N05 | H1B060AMM1CANBRBCSGSSG05NPMB0N00N05 |
| 83067384 | H1-B-060-A-A-HE-HE-N-B-TB-CN-GN-N-A-05-NN-027-R-00-NNN | H1B060AAHEHENBTBCNGNNA05NN027R00NNN |
| 83067528 | H1-B-060-A-A-E2-AA-N-B-TA-VS-AS-P-A-05-NN-025-Z-00-N12 | H1B060AAE2AANBTAVSASPA05NN025Z00N12 |
| 83067667 | H1-B-060-A-A-HE-HE-N-B-TB-VN-AN-N-A-05-NN-012-Z-00-NNN | H1B060AAHEHENBTBVNANNA05NN012Z00NNN |
| 83067790 | H1-B-060-A-A-L2-BA-N-B-PA-VS-BS-P-A-10-NP-036-N-00-NNN | H1B060AAL2BANBPAVSBSPA10NP036N00NNN |
| 83067819 | H1-B-060-A-M-M1-CA-N-A-RB-CS-GS-B-G-10-NP-MB0-N-00-N05 | H1B060AMM1CANARBCSGSBG10NPMB0N00N05 |
| 83067843 | H1-B-060-A-M-M1-CA-N-A-RB-CS-GS-B-N-NN-NP-MB0-N-00-N05 | H1B060AMM1CANARBCSGSBNNNNPMB0N00N05 |
| 83067856 | H1-B-060-A-A-K1-K1-N-B-RA-DS-HS-S-A-E2-NP-019-N-21-NNN | H1B060AAK1K1NBRADSHSSAE2NP019N21NNN |
| 83068115 | H1-B-060-A-A-M2-CA-N-A-RA-CN-HN-N-A-10-NP-012-N-00-NNN | H1B060AAM2CANARACNHNNA10NP012N00NNN |
| 83068347 | H1-B-060-A-A-TA-DA-N-A-TB-VS-AS-B-N-NN-NN-012-Z-28-NNN | H1B060AATADANATBVSASBNNNNN012Z28NNN |
| 83068429 | H1-B-060-A-A-L1-BA-N-B-PA-CS-GS-B-A-05-NP-MB0-N-00-NNN | H1B060AAL1BANBPACSGSBA05NPMB0N00NNN |
| 83068518 | H1-B-060-A-A-DH-MA-O-B-PB-DN-HN-N-A-05-NP-020-N-24-NNN | H1B060AADHMAOBPBDNHNNA05NP020N24NNN |
| 83068661 | H1-B-060-A-A-E2-AA-N-B-TB-VN-BN-N-A-05-NN-030-Z-00-NNN | H1B060AAE2AANBTBVNBNNA05NN030Z00NNN |
| 83068688 | H1-B-060-A-A-P1-D1-N-A-TB-DS-HS-B-A-10-NN-016-Q-24-NNN | H1B060AAP1D1NATBDSHSBA10NN016Q24NNN |
| 83068851 | H1-B-060-A-A-L2-BA-N-B-PB-VS-BS-B-A-05-NP-MB0-N-00-NNN | H1B060AAL2BANBPBVSBSBA05NPMB0N00NNN |
| 83068868 | H1-B-060-A-A-E2-AA-N-C-TA-CS-HS-P-N-NN-NN-020-Z-00-NNN | H1B060AAE2AANCTACSHSPNNNNN020Z00NNN |
| 83069026 | H1-B-060-A-A-M1-CA-N-A-RA-DS-HS-S-A-10-NP-013-N-00-NNN | H1B060AAM1CANARADSHSSA10NP013N00NNN |
| 83069106 | H1-B-060-A-A-L2-BA-N-B-PB-CN-GN-N-A-10-NP-015-N-00-NNN | H1B060AAL2BANBPBCNGNNA10NP015N00NNN |
| 83069156 | H1-B-060-A-A-L2-BA-N-B-PB-CS-GS-B-N-NN-NP-MB0-N-00-NNN | H1B060AAL2BANBPBCSGSBNNNNPMB0N00NNN |
| 83069198 | H1-B-060-A-A-E2-AA-N-B-TB-VS-AS-B-A-05-NN-040-Z-00-NNN | H1B060AAE2AANBTBVSASBA05NN040Z00NNN |
| 83069588 | H1-B-060-A-A-T2-DA-N-C-TA-CS-HS-P-N-NN-NN-020-Z-20-NNN | H1B060AAT2DANCTACSHSPNNNNN020Z20NNN |
| 83069621 | H1-B-060-A-A-T1-D1-N-A-TA-DN-GN-N-A-05-NN-017-Z-28-NNN | H1B060AAT1D1NATADNGNNA05NN017Z28NNN |
| 83069754 | H1-B-060-A-A-LH-BA-J-B-PB-DN-GN-N-A-10-NP-025-N-00-NNN | H1B060AALHBAJBPBDNGNNA10NP025N00NNN |
| 83069761 | H1-B-060-A-A-TH-HA-N-B-TA-DN-GN-N-N-NN-NN-021-Z-23-NNN | H1B060AATHHANBTADNGNNNNNNN021Z23NNN |
| 83069897 | H1-B-060-A-A-M1-CA-N-A-RA-VS-AS-S-A-10-NP-MB0-N-00-NNN | H1B060AAM1CANARAVSASSA10NPMB0N00NNN |
| 83069916 | H1-B-060-A-A-E1-AA-N-B-TA-CN-AN-N-N-NN-NN-024-R-00-N04 | H1B060AAE1AANBTACNANNNNNNN024R00N04 |
| 83070001 | H1-B-060-A-A-M1-CA-N-C-RA-CS-HS-P-N-NN-NP-020-N-00-NNN | H1B060AAM1CANCRACSHSPNNNNP020N00NNN |
| 83070002 | H1-B-060-A-A-D2-MA-N-C-PA-CS-HS-P-N-NN-NP-020-N-20-NNN | H1B060AAD2MANCPACSHSPNNNNP020N20NNN |
| 83070003 | H1-B-060-A-A-D2-MA-N-A-PA-DS-HS-P-N-NN-NP-020-N-20-NNN | H1B060AAD2MANAPADSHSPNNNNP020N20NNN |
| 83070004 | H1-B-060-A-A-D2-MA-N-A-PA-CS-HS-P-N-NN-NP-020-N-20-NNN | H1B060AAD2MANAPACSHSPNNNNP020N20NNN |
| 83070058 | H1-B-060-A-A-HE-HE-N-A-TA-CS-GS-C-A-10-NN-022-Z-00-N09 | H1B060AAHEHENATACSGSCA10NN022Z00N09 |
| 83070128 | H1-B-060-A-A-T1-DA-N-C-TB-VN-BN-N-A-10-NN-030-Z-30-NNN | H1B060AAT1DANCTBVNBNNA10NN030Z30NNN |
| 83070184 | H1-B-060-A-A-HE-HE-N-B-TB-VN-AN-N-N-NN-NN-012-V-00-NNN | H1B060AAHEHENBTBVNANNNNNNN012V00NNN |
| 83070238 | H1-B-060-A-A-T1-DA-N-C-TB-VS-BS-S-A-10-NN-030-Z-30-NNN | H1B060AAT1DANCTBVSBSSA10NN030Z30NNN |
| 83072208 | H1-B-060-A-A-L2-BA-N-A-PB-VS-BS-S-A-05-NP-040-N-00-N12 | H1B060AAL2BANAPBVSBSSA05NP040N00N12 |
| 83072254 | H1-B-060-A-A-E2-AA-N-B-TB-CN-GN-N-N-NN-NN-012-S-00-NNN | H1B060AAE2AANBTBCNGNNNNNNN012S00NNN |
| 83072257 | H1-B-060-A-A-E2-AA-N-B-TB-CS-GS-S-N-NN-NN-012-Z-00-NNN | H1B060AAE2AANBTBCSGSSNNNNN012Z00NNN |
| 83072444 | H1-B-060-A-A-DH-MA-I-B-PB-CN-GN-N-A-05-NP-030-N-25-NNN | H1B060AADHMAIBPBCNGNNA05NP030N25NNN |
| 83072521 | H1-B-060-A-A-L1-BA-N-A-PB-VS-AS-S-A-05-NP-MB0-N-00-NNN | H1B060AAL1BANAPBVSASSA05NPMB0N00NNN |
| 83072528 | H1-B-060-A-A-D2-MA-N-A-PA-CS-GS-P-N-NN-NP-015-N-20-NNN | H1B060AAD2MANAPACSGSPNNNNP015N20NNN |
| 83072741 | H1-B-060-A-A-D2-MA-N-A-PA-CJ-GS-P-N-NN-NP-015-N-20-NNN | H1B060AAD2MANAPACJGSPNNNNP015N20NNN |
| 83072756 | H1-B-060-A-A-LH-BA-I-B-PB-CN-GN-N-A-05-NP-MB0-N-00-NNN | H1B060AALHBAIBPBCNGNNA05NPMB0N00NNN |
| 83072827 | H1-B-060-A-A-DH-MA-I-B-PB-CN-GN-N-A-05-NP-033-N-25-NNN | H1B060AADHMAIBPBCNGNNA05NP033N25NNN |
| 83072857 | H1-B-060-A-A-E2-AA-N-B-TB-DN-HN-N-A-05-NN-030-Z-00-NNN | H1B060AAE2AANBTBDNHNNA05NN030Z00NNN |
| 83072860 | H1-B-060-A-A-HF-HF-N-B-TB-DN-GN-N-A-05-NN-016-Z-00-NNN | H1B060AAHFHFNBTBDNGNNA05NN016Z00NNN |
| 83072910 | H1-B-060-A-A-DH-MH-D-B-PA-CN-GN-N-A-05-NP-012-N-20-NNN | H1B060AADHMHDBPACNGNNA05NP012N20NNN |
| 83072931 | H1-B-060-A-A-T1-G1-N-B-TA-VS-AS-S-C-05-NN-012-Z-29-NNN | H1B060AAT1G1NBTAVSASSC05NN012Z29NNN |
| 83072942 | H1-B-060-A-A-T1-D1-N-B-TA-VS-AS-S-D-05-NN-012-Z-29-NNN | H1B060AAT1D1NBTAVSASSD05NN012Z29NNN |
| 83072976 | H1-B-060-A-A-TA-DA-N-B-TB-VN-AN-N-A-05-NN-028-R-18-NNN | H1B060AATADANBTBVNANNA05NN028R18NNN |
| 83073179 | H1-B-060-A-A-LH-BA-T-B-PB-VN-AN-N-N-NN-NP-030-N-00-NNN | H1B060AALHBATBPBVNANNNNNNP030N00NNN |
| 83073275 | H1-B-060-A-A-LH-BA-D-B-PA-DN-GN-N-N-NN-NP-MB0-N-00-NNN | H1B060AALHBADBPADNGNNNNNNPMB0N00NNN |
| 83073357 | H1-B-060-A-A-L1-BA-N-A-PB-DS-GS-B-N-NN-NP-019-N-00-NNN | H1B060AAL1BANAPBDSGSBNNNNP019N00NNN |
| 83073365 | H1-B-060-A-A-L1-BA-N-B-PB-VN-AN-N-N-NN-NP-MB0-N-00-NNN | H1B060AAL1BANBPBVNANNNNNNPMB0N00NNN |
| 83073498 | H1-B-060-A-A-DH-MA-D-B-PA-CN-HN-N-N-NN-NP-000-N-30-NNN | H1B060AADHMADBPACNHNNNNNNP000N30NNN |
| 83073648 | H1-B-060-A-A-E1-AA-N-B-TB-CS-GS-S-A-05-NN-MB0-Z-00-NNN | H1B060AAE1AANBTBCSGSSA05NNMB0Z00NNN |
| 83073661 | H1-B-060-A-A-HE-HE-N-B-TB-CN-GN-N-A-05-NN-030-Z-00-NNN | H1B060AAHEHENBTBCNGNNA05NN030Z00NNN |
| 83073733 | H1-B-060-A-A-T1-D1-N-B-TA-DN-GN-N-A-05-NN-024-R-23-NNN | H1B060AAT1D1NBTADNGNNA05NN024R23NNN |
| 83073839 | H1-B-060-A-A-M1-CA-N-B-RA-DS-GS-S-A-05-NP-016-N-00-NNN | H1B060AAM1CANBRADSGSSA05NP016N00NNN |
| 83073941 | H1-B-060-A-A-L2-BA-N-B-PB-CS-GS-S-A-05-NP-MB0-N-00-N27 | H1B060AAL2BANBPBCSGSSA05NPMB0N00N27 |
| 83074056 | H1-B-060-A-A-T2-DA-N-B-TA-VN-AN-N-A-10-NN-028-Z-19-NNN | H1B060AAT2DANBTAVNANNA10NN028Z19NNN |
| 83074063 | H1-B-060-A-A-HE-HE-N-B-TA-CN-GN-N-A-05-NN-015-Z-00-NNN | H1B060AAHEHENBTACNGNNA05NN015Z00NNN |
| 83074069 | H1-B-060-A-A-TA-DA-N-B-TB-CN-GN-N-A-05-NN-012-Z-23-NNN | H1B060AATADANBTBCNGNNA05NN012Z23NNN |
| 83074071 | H1-B-060-A-A-LH-BA-J-B-PB-CN-GN-N-A-05-NP-012-N-00-NNN | H1B060AALHBAJBPBCNGNNA05NP012N00NNN |
| 83074167 | H1-B-060-A-A-DH-MA-D-A-PA-DN-HN-N-A-05-NP-023-N-24-NNN | H1B060AADHMADAPADNHNNA05NP023N24NNN |
| 83075139 | H1-B-060-A-A-TA-DA-N-B-TB-DN-AN-N-N-NN-NN-018-Z-21-NNN | H1B060AATADANBTBDNANNNNNNN018Z21NNN |
| 83075356 | H1-B-060-A-A-L1-BA-N-B-PB-CS-HS-P-A-10-NP-012-N-00-NNN | H1B060AAL1BANBPBCSHSPA10NP012N00NNN |
| 83075357 | H1-B-060-A-A-L1-BA-N-B-PB-DS-AS-P-A-10-NP-012-N-00-NNN | H1B060AAL1BANBPBDSASPA10NP012N00NNN |
| 83075598 | H1-B-060-A-A-TA-DA-N-B-TB-VN-AN-N-N-NN-NN-031-Z-20-NNN | H1B060AATADANBTBVNANNNNNNN031Z20NNN |
| 83075601 | H1-B-060-A-A-L2-BA-N-C-PB-CS-GS-P-A-10-NP-027-N-00-NNN | H1B060AAL2BANCPBCSGSPA10NP027N00NNN |
| 83075948 | H1-B-060-A-A-T1-D1-N-B-TA-VS-AS-S-C-05-NN-012-Z-29-NNN | H1B060AAT1D1NBTAVSASSC05NN012Z29NNN |
| 83076069 | H1-B-060-A-A-T1-D1-N-B-TB-CN-AN-N-A-10-NN-019-Z-30-NNN | H1B060AAT1D1NBTBCNANNA10NN019Z30NNN |
| 83076145 | H1-B-060-A-A-HE-HE-N-B-TB-CS-GS-S-A-10-NN-021-R-00-NNN | H1B060AAHEHENBTBCSGSSA10NN021R00NNN |
| 83076205 | H1-B-060-A-A-E2-AA-N-A-TA-VN-AN-N-A-10-NN-012-Z-00-NNN | H1B060AAE2AANATAVNANNA10NN012Z00NNN |
| 83076260 | H1-B-060-A-M-M1-CA-N-A-RB-CS-GS-P-G-05-NP-MB0-N-00-N05 | H1B060AMM1CANARBCSGSPG05NPMB0N00N05 |
| 83076494 | H1-B-060-A-A-K2-K2-N-B-RB-DN-AN-N-N-NN-NP-032-N-28-NNN | H1B060AAK2K2NBRBDNANNNNNNP032N28NNN |
| 83076568 | H1-B-060-A-A-E2-AA-N-A-TB-CS-AS-S-A-05-NN-020-Z-00-NNN | H1B060AAE2AANATBCSASSA05NN020Z00NNN |
| 83076901 | H1-B-060-A-A-HE-HE-N-B-TB-VN-BN-N-A-10-NN-030-Z-00-NNN | H1B060AAHEHENBTBVNBNNA10NN030Z00NNN |
| 83077179 | H1-B-060-A-M-M1-CA-N-B-RA-DS-GS-S-A-05-NP-016-N-00-NNN | H1B060AMM1CANBRADSGSSA05NP016N00NNN |
| 83077274 | H1-B-060-A-A-L1-BA-N-A-PB-DS-HS-B-A-10-NP-016-N-00-NNN | H1B060AAL1BANAPBDSHSBA10NP016N00NNN |
| 83077275 | H1-B-060-A-A-L1-BA-N-N-PB-DS-HS-B-A-10-NP-016-N-00-NNN | H1B060AAL1BANNPBDSHSBA10NP016N00NNN |
| 83077279 | H1-B-060-A-A-P1-D1-N-A-TA-DS-GS-S-A-10-NN-022-Z-24-0NN | H1B060AAP1D1NATADSGSSA10NN022Z240NN |
| 83077301 | H1-B-060-A-A-E2-AA-N-B-TB-DN-HN-N-N-NN-NN-040-Z-00-NNN | H1B060AAE2AANBTBDNHNNNNNNN040Z00NNN |
| 83077313 | H1-B-060-A-A-E2-AA-N-B-TA-DN-HN-N-N-NN-NN-040-Z-00-NNN | H1B060AAE2AANBTADNHNNNNNNN040Z00NNN |
| 83077364 | H1-B-060-A-A-T1-D1-N-B-TB-VS-BS-S-A-10-NN-027-Z-30-NNN | H1B060AAT1D1NBTBVSBSSA10NN027Z30NNN |
| 83077402 | H1-B-060-A-A-E1-AA-N-B-TB-CN-GN-N-N-NN-NN-012-Z-00-NNN | H1B060AAE1AANBTBCNGNNNNNNN012Z00NNN |
| 83077403 | H1-B-060-A-A-K1-K1-N-B-RA-DS-HS-S-A-E2-NP-017-N-21-NNN | H1B060AAK1K1NBRADSHSSAE2NP017N21NNN |
| 83077469 | H1-B-060-A-A-T1-DA-N-B-TB-CN-GN-N-A-10-NN-029-Z-25-NNN | H1B060AAT1DANBTBCNGNNA10NN029Z25NNN |
| 83078465 | H1-B-060-A-A-TA-DA-N-A-TB-VN-AN-N-N-NN-NN-030-Z-30-NNN | H1B060AATADANATBVNANNNNNNN030Z30NNN |
| 83078739 | H1-B-060-A-A-L2-BA-N-B-PB-CS-BS-B-A-10-NP-MB0-N-00-NNN | H1B060AAL2BANBPBCSBSBA10NPMB0N00NNN |
| 83078807 | H1-B-060-A-A-L2-BA-N-A-PB-CS-AS-S-A-05-NP-020-N-00-NNN | H1B060AAL2BANAPBCSASSA05NP020N00NNN |
| 83078982 | H1-B-060-A-A-HE-HE-N-B-TB-VN-AN-N-A-05-NN-033-Z-00-NNN | H1B060AAHEHENBTBVNANNA05NN033Z00NNN |
| 83079061 | H1-B-060-A-A-D1-M1-N-B-PB-VS-AS-S-A-05-NP-025-N-19-NNN | H1B060AAD1M1NBPBVSASSA05NP025N19NNN |
| 83079941 | H1-B-060-A-A-E2-AA-N-B-TB-VN-AN-N-N-NN-NN-030-Z-00-N13 | H1B060AAE2AANBTBVNANNNNNNN030Z00N13 |
| 83080221 | H1-B-060-A-A-E2-AA-N-B-TA-CS-HS-P-N-NN-NN-030-Z-00-NNN | H1B060AAE2AANBTACSHSPNNNNN030Z00NNN |
| 83080357 | H1-B-060-A-A-HF-HF-N-C-TA-VN-AN-N-N-NN-NN-030-Z-00-NNN | H1B060AAHFHFNCTAVNANNNNNNN030Z00NNN |
| 83080395 | H1-B-060-A-A-D1-M1-N-A-PA-VS-AS-S-A-05-NP-025-N-16-NNN | H1B060AAD1M1NAPAVSASSA05NP025N16NNN |
| 83080398 | H1-B-060-A-A-K2-K2-N-B-RB-VS-AS-B-A-10-NP-030-N-26-NNN | H1B060AAK2K2NBRBVSASBA10NP030N26NNN |
| 83080438 | H1-B-060-A-M-L1-BA-N-B-PA-DS-GS-S-A-05-NP-016-N-00-NNN | H1B060AML1BANBPADSGSSA05NP016N00NNN |
| 83080976 | H1-B-060-A-A-NB-NT-N-N-TA-VS-AS-B-A-10-NN-012-U-00-NNN | H1B060AANBNTNNTAVSASBA10NN012U00NNN |
| 83081261 | H1-B-060-A-A-HE-HE-N-B-TB-CN-GN-N-A-05-NN-028-U-00-NNN | H1B060AAHEHENBTBCNGNNA05NN028U00NNN |
| 83081272 | H1-B-060-A-A-HE-HE-N-B-TB-CN-GN-N-A-05-NN-036-Q-00-NNN | H1B060AAHEHENBTBCNGNNA05NN036Q00NNN |
| 83081324 | H1-B-060-A-A-TA-D2-N-N-TB-VS-AS-S-A-05-NN-024-Z-28-N04 | H1B060AATAD2NNTBVSASSA05NN024Z28N04 |
| 83081425 | H1-B-060-A-A-TA-DA-N-B-TA-VN-AN-N-N-NN-NN-012-Z-24-NNN | H1B060AATADANBTAVNANNNNNNN012Z24NNN |
| 83081579 | H1-B-060-A-A-MH-CA-F-A-RB-CN-HN-N-N-NN-NP-MB0-N-00-NNN | H1B060AAMHCAFARBCNHNNNNNNPMB0N00NNN |
| 83082406 | H1-B-060-A-A-M1-CA-N-A-RA-VS-AS-S-G-15-NP-018-N-00-N28 | H1B060AAM1CANARAVSASSG15NP018N00N28 |
| 83082905 | H1-B-060-A-A-HE-HE-N-A-TB-CS-AS-P-N-NN-NN-012-R-00-NNN | H1B060AAHEHENATBCSASPNNNNN012R00NNN |
| 83083204 | H1-B-060-A-A-E1-AA-N-B-TB-VS-AS-B-A-05-NN-028-Z-00-NNN | H1B060AAE1AANBTBVSASBA05NN028Z00NNN |
| 83083519 | H1-B-060-A-A-E2-AA-N-C-TA-DS-GS-P-N-NN-NN-012-S-00-NNN | H1B060AAE2AANCTADSGSPNNNNN012S00NNN |
| 83083846 | H1-B-060-A-A-E2-AA-N-C-TA-DS-GS-P-N-NN-NN-026-S-00-NNN | H1B060AAE2AANCTADSGSPNNNNN026S00NNN |
| 83083900 | H1-B-060-A-A-D2-M2-N-B-PA-DS-GS-S-A-05-NP-020-N-30-NNN | H1B060AAD2M2NBPADSGSSA05NP020N30NNN |
| 83083966 | H1-B-060-A-A-E1-AA-N-B-TB-DN-GN-N-N-NN-NN-030-Z-00-NNN | H1B060AAE1AANBTBDNGNNNNNNN030Z00NNN |
| 83084384 | H1-B-060-A-A-D2-MA-N-A-PA-CN-GN-N-N-NN-NP-015-N-20-NNN | H1B060AAD2MANAPACNGNNNNNNP015N20NNN |
| 83085107 | H1-B-060-A-A-K1-K1-N-B-RB-DN-GN-N-A-10-NP-022-N-25-NNN | H1B060AAK1K1NBRBDNGNNA10NP022N25NNN |
| 83085308 | H1-B-060-A-A-HE-HE-N-B-TB-CS-GS-S-A-10-NN-018-U-00-NNN | H1B060AAHEHENBTBCSGSSA10NN018U00NNN |
| 83085429 | H1-B-060-A-A-E1-AA-N-B-TB-CN-GN-N-A-05-NN-015-Z-00-NNN | H1B060AAE1AANBTBCNGNNA05NN015Z00NNN |
| 83085640 | H1-B-060-A-A-P1-D1-N-B-TA-DS-HS-S-A-05-NN-012-Z-24-NNN | H1B060AAP1D1NBTADSHSSA05NN012Z24NNN |
| 83085918 | H1-B-060-A-A-DH-MA-I-B-PA-DN-GN-N-N-NN-NP-020-N-20-NNN | H1B060AADHMAIBPADNGNNNNNNP020N20NNN |
| 83086001 | H1-B-060-A-A-T2-DA-N-B-TB-VS-BS-P-A-10-NN-015-Z-30-NNN | H1B060AAT2DANBTBVSBSPA10NN015Z30NNN |
| 83086214 | H1-B-060-A-A-HE-HE-N-A-TA-CN-GN-N-N-NN-NN-036-Z-00-NNN | H1B060AAHEHENATACNGNNNNNNN036Z00NNN |
| 83086500 | H1-B-060-A-A-D2-MA-N-A-PA-CJ-GS-P-N-NN-NP-015-N-18-NNN | H1B060AAD2MANAPACJGSPNNNNP015N18NNN |
| 83086569 | H1-B-060-A-A-P1-D1-N-B-TB-DN-GN-N-A-10-NN-022-Z-24-NNN | H1B060AAP1D1NBTBDNGNNA10NN022Z24NNN |
| 83086702 | H1-B-060-A-A-L2-BA-N-B-PB-CS-GS-P-A-05-NP-MB0-N-00-NNN | H1B060AAL2BANBPBCSGSPA05NPMB0N00NNN |
| 83086812 | H1-B-060-A-A-T1-G1-N-B-TB-DN-GN-N-A-10-NN-022-Z-24-NNN | H1B060AAT1G1NBTBDNGNNA10NN022Z24NNN |
| 83087133 | H1-B-060-A-M-L1-BA-N-C-PA-DS-GS-S-A-05-NP-015-N-00-NNN | H1B060AML1BANCPADSGSSA05NP015N00NNN |
| 83087250 | H1-B-060-A-A-K1-K1-N-B-RA-DS-HS-S-A-10-NP-017-N-21-NNN | H1B060AAK1K1NBRADSHSSA10NP017N21NNN |
| 83087251 | H1-B-060-A-A-L1-BA-N-B-PB-VS-AS-S-A-10-NP-028-N-00-NNN | H1B060AAL1BANBPBVSASSA10NP028N00NNN |
| 83087284 | H1-B-060-A-A-HF-HF-N-B-TA-VS-AS-B-A-05-NN-037-Z-00-NNN | H1B060AAHFHFNBTAVSASBA05NN037Z00NNN |
| 83087408 | H1-B-060-A-M-L1-BA-N-C-PA-DS-GS-S-A-05-NP-MB0-N-00-NNN | H1B060AML1BANCPADSGSSA05NPMB0N00NNN |
| 83087414 | H1-B-060-A-A-HE-HE-N-B-TB-CS-GS-S-A-10-NN-021-Z-00-NNN | H1B060AAHEHENBTBCSGSSA10NN021Z00NNN |
| 83087887 | H1-B-060-A-A-HE-HE-N-B-TB-VN-AN-N-N-NN-NN-012-Z-00-NNN | H1B060AAHEHENBTBVNANNNNNNN012Z00NNN |
| 83087895 | H1-B-060-A-A-L1-BA-N-B-PB-VS-AS-S-N-NN-NP-015-N-00-NNN | H1B060AAL1BANBPBVSASSNNNNP015N00NNN |
| 83088941 | H1-B-060-A-A-E2-AA-N-B-TB-CS-GS-S-A-05-NN-015-Z-00-NNN | H1B060AAE2AANBTBCSGSSA05NN015Z00NNN |
| 83089053 | H1-B-060-A-A-HE-HE-N-B-TB-CN-GN-N-A-10-NN-030-R-00-NNN | H1B060AAHEHENBTBCNGNNA10NN030R00NNN |
| 83089151 | H1-B-060-A-A-TA-DA-N-B-TB-VN-BN-N-A-05-NN-020-Z-13-NNN | H1B060AATADANBTBVNBNNA05NN020Z13NNN |
| 83089255 | H1-B-060-A-A-L2-BA-N-B-PA-CS-GS-B-A-10-NP-MB0-N-00-NNN | H1B060AAL2BANBPACSGSBA10NPMB0N00NNN |
| 83089733 | H1-B-060-A-A-D2-MA-N-C-PA-DS-HS-S-N-NN-NP-040-N-16-NNN | H1B060AAD2MANCPADSHSSNNNNP040N16NNN |
| 83089805 | H1-B-060-A-A-E2-AA-N-B-TA-VS-AS-B-A-10-NN-040-Z-00-NNN | H1B060AAE2AANBTAVSASBA10NN040Z00NNN |
| 83090013 | H1-B-060-A-A-E2-AA-N-B-TB-CN-GN-N-N-NN-NN-032-Z-00-NNN | H1B060AAE2AANBTBCNGNNNNNNN032Z00NNN |
| 83090372 | H1-B-060-A-A-E2-AA-N-B-TB-DS-HS-B-A-05-NN-030-Z-00-NNN | H1B060AAE2AANBTBDSHSBA05NN030Z00NNN |
| 83090522 | H1-B-060-A-A-DH-MA-D-A-PB-DN-GN-N-A-05-NP-020-N-16-NNN | H1B060AADHMADAPBDNGNNA05NP020N16NNN |
| 83090895 | H1-B-060-A-A-E2-AA-N-B-TA-DN-GN-N-A-10-NN-MB0-R-00-NNN | H1B060AAE2AANBTADNGNNA10NNMB0R00NNN |
| 83091078 | H1-B-060-A-A-NB-NT-N-N-TB-VN-AN-N-N-NN-NN-MB0-Z-00-NNN | H1B060AANBNTNNTBVNANNNNNNNMB0Z00NNN |
| 83091429 | H1-B-060-A-A-NB-NT-N-N-TB-VS-BS-B-A-10-NN-MB0-Z-00-NNN | H1B060AANBNTNNTBVSBSBA10NNMB0Z00NNN |
| 83091820 | H1-B-060-A-A-E1-AA-N-B-TA-VN-AN-N-A-05-NN-028-Z-00-NNN | H1B060AAE1AANBTAVNANNA05NN028Z00NNN |
| 83091856 | H1-B-060-A-A-HE-HE-N-A-TB-VS-AS-S-N-NN-NN-019-R-00-NNN | H1B060AAHEHENATBVSASSNNNNN019R00NNN |
| 83091897 | H1-B-060-A-A-HE-HE-N-C-TA-CN-GN-N-A-10-NN-040-Z-00-NNN | H1B060AAHEHENCTACNGNNA10NN040Z00NNN |
| 83091950 | H1-B-060-A-A-T1-D1-N-B-TB-VS-AS-P-A-05-NN-034-Z-21-NNN | H1B060AAT1D1NBTBVSASPA05NN034Z21NNN |
| 83092013 | H1-B-060-A-A-M1-CA-N-B-RA-DS-HS-S-A-10-NP-014-N-00-NNN | H1B060AAM1CANBRADSHSSA10NP014N00NNN |
| 83092065 | H1-B-060-A-A-E1-AA-N-A-TB-VS-AS-S-N-NN-NN-030-Z-00-NNN | H1B060AAE1AANATBVSASSNNNNN030Z00NNN |
| 83092072 | H1-B-060-A-A-NB-NT-N-N-TA-VN-AN-N-N-NN-NN-MB0-Z-00-NNN | H1B060AANBNTNNTAVNANNNNNNNMB0Z00NNN |
| 83092202 | H1-B-060-A-A-HE-HE-N-B-TA-CS-GS-S-N-NN-NN-026-R-00-NNN | H1B060AAHEHENBTACSGSSNNNNN026R00NNN |
| 83092646 | H1-B-060-A-A-L1-BA-N-B-PB-DS-HS-B-A-10-NP-020-N-00-NNN | H1B060AAL1BANBPBDSHSBA10NP020N00NNN |
| 83092799 | H1-B-060-A-A-E2-AA-N-B-TB-DN-GN-N-N-NN-NN-020-Z-00-NNN | H1B060AAE2AANBTBDNGNNNNNNN020Z00NNN |
| 83093139 | H1-B-060-A-A-DH-MA-O-B-PB-DN-GN-N-A-05-NP-025-N-20-NNN | H1B060AADHMAOBPBDNGNNA05NP025N20NNN |
| 83093784 | H1-B-060-A-A-L2-BA-N-C-PB-VS-AS-B-N-NN-NP-012-N-00-NNN | H1B060AAL2BANCPBVSASBNNNNP012N00NNN |
| 83094120 | H1-B-060-A-A-M1-CA-N-A-RA-DS-GS-S-A-10-NP-022-N-00-NNN | H1B060AAM1CANARADSGSSA10NP022N00NNN |
| 83094148 | H1-B-060-A-A-E2-AA-N-B-TB-DS-GS-S-N-NN-NN-020-Z-00-NNN | H1B060AAE2AANBTBDSGSSNNNNN020Z00NNN |
| 83094475 | H1-B-060-A-A-HE-HE-N-C-TB-VN-AN-N-A-05-NN-028-Z-00-NNN | H1B060AAHEHENCTBVNANNA05NN028Z00NNN |
| 83094479 | H1-B-060-A-A-M2-CA-N-A-RA-CS-HS-S-A-10-NP-012-N-00-NNN | H1B060AAM2CANARACSHSSA10NP012N00NNN |
| 83095332 | H1-B-060-A-A-L2-BA-N-B-PB-CS-GS-B-N-NN-NP-027-N-00-NNN | H1B060AAL2BANBPBCSGSBNNNNP027N00NNN |
| 83095379 | H1-B-060-A-A-TA-DA-N-B-TB-VN-BN-N-A-05-NN-020-Z-16-NNN | H1B060AATADANBTBVNBNNA05NN020Z16NNN |